EasyManua.ls Logo

Bryant 579F - Page 140

Bryant 579F
298 pages
Print Icon
To Next Page IconTo Next Page
To Next Page IconTo Next Page
To Previous Page IconTo Previous Page
To Previous Page IconTo Previous Page
Loading...
140
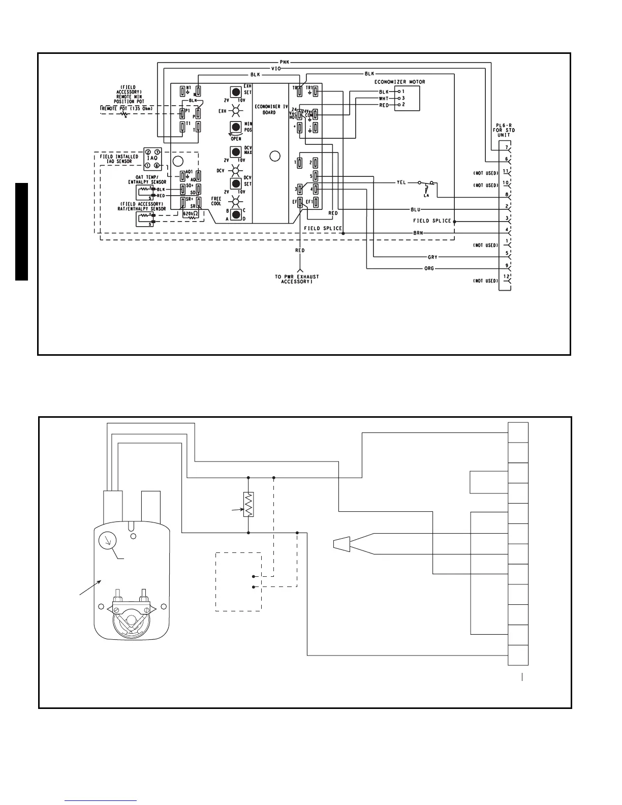
TYPICAL WIRING SCHEMATICS — 581B (cont)
LEGEND
IAQ Indoor Air Quality
LA Low Ambient Lockout Device
POT Potentiometer
OAT Outdoor-Air Temperature
RAT Return-Air Temperature
EconoMi$er IV Wiring — 581B036-150 Units
NOTE:
Potentiometer Defaults Settings:
Power Exhaust Middle
Minimum Pos. Fully Closed
DCV Max. Middle
DCV Set Middle
Enthalpy C Setting
ECONOMIZER NOTES:
1. 620 ohm, 1 watt 5% resister should be removed only when using differential
enthalpy or dry bulb.
2. If a separate field supplied 24v transformer is used for the IAQ sensor
power supply, it cannot have the secondary of the transformer grounded.
3. For field installed remote minimum position POT, remove black wire jumper
between P and P1 and set control minimum position POT to the minimum
position.
EconoMi$er2 Wiring — 581B036-150 Units
a48-7910
4
3
5
2
8
6
7
1
10
11
9
12
PINK
VIOLET
BLACK
BLUE
YELLOW
NOTE 1
NOTE 2
RUN
500 OHM
RESISTOR
-
+
OPTIONAL CO
SENSOR 4 - 20 mA
OUTPUT
50HJ540573
ACTUATOR
ASSEMBLY
RED
WHITE
ECONOMISER2 PLUG
DIRECT DRIVE
ACTUATOR
2
a48-8209
NOTES:
1. Switch on actuator must be in run position for economizer to operate.
2. 50HJ540573 actuator consists of the 50HJ540567 actuator and a harness with 500-ohm resistor.
581B036-150

Other manuals for Bryant 579F

Related product manuals