EasyManua.ls Logo

Bryant 581B - Page 37

Bryant 581B
40 pages
Print Icon
To Next Page IconTo Next Page
To Next Page IconTo Next Page
To Previous Page IconTo Previous Page
To Previous Page IconTo Previous Page
Loading...
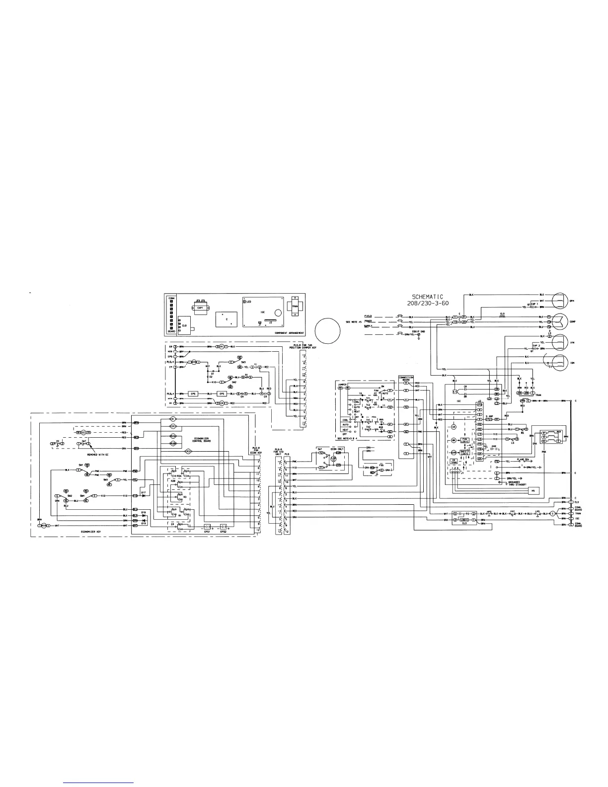
Fig. 45 Typical Wiring Schematic and Component Arrangement
—37—

Related product manuals