EasyManua.ls Logo

Bryant 598B - Page 12

Bryant 598B
20 pages
Print Icon
To Next Page IconTo Next Page
To Next Page IconTo Next Page
To Previous Page IconTo Previous Page
To Previous Page IconTo Previous Page
Loading...
G
C
Y2
C
TWO-STAGE
FURNACE WITH PSC
BLOWER MOTOR
TWO-SPEED
AIR CONDITIONER
See notes 6, 16, and 17
R
Y1
R
W/W1
Y/Y2
W2
Y1
*
COOL STAGE 1
FAN
HEAT STAGE 1
COOL STAGE 2
HEAT STAGE 2
24 VAC HOT
R
W/W1
Y/Y2
O/W2
Y1/W2
24 VAC COMM
N/A
OUTDOOR
SENSOR
CONNECTION
C
B
S1
S2
PROGRAMMABLE
THERMOSTAT
MODEL 2S
G
H
R1
A00392
N
Q
A00394
O/W2
W/W1
Y1/W2
G
R
THERMIDISTAT
CONTROL
TWO-STAGE
FURNACE
WITH PSC
BLOWER MOTOR
TWO-SPEED
AIR CONDITIONER
W/W1
G
Y/Y2
C
Y2
R
Y1
C
DHUM
HUM
B
S1
S2
W2
R
C
HEAT STAGE 1
COOL STAGE 1
COOL STAGE 2
HEAT STAGE 2
FAN
24 VAC HOT
24 VAC COMM
N/A
HUMIDIFY
N/A
OUTDOOR
SENSOR
CONNECTION
Y/Y2
HUMIDIFIER
(24 VAC)
OUTDOOR
SENSOR
See notes 11, 12, 16, and 17
24 VAC HOT
24 VAC COMM
HEAT STAGE 1
COOL STAGE 2
FAN
R
C
G
W/W1
Y/Y2
R
C
HEAT STAGE 2
COOL STAGE 1
N/A
OUTDOOR
SENSOR
CONNECTION
Y1
B
S1
S2
C
NON-PROGRAMMABLE
THERMOSTAT
MODEL 2S
TWO-STAGE
FURNACE WITH PSC
BLOWER MOTOR
TWO-SPEED
AIR CONDITIONER
See notes 7, 9, 16, and 17
G
O/W2
R
Y2
W/W1
Y/Y2
W2
Y1
Y1
*
H
R1
A00393
P
24 VAC HOT
24 VAC COM
HEAT STAGE 1
COOL STAGE 2
FAN
R
C
G
W
Y2
R
C
Y1
C
OTHER BRAND
TWO-SPEED
THERMOSTATS
TWO-STAGE
FURNACE WITH PSC
BLOWER MOTOR
TWO-SPEED
AIR CONDITIONER
See notes 7 and 17
G
R
Y2
W/W1
Y/Y2
W2
Y1
Y1
*
H
R1
COOL STAGE 1
A00064
R
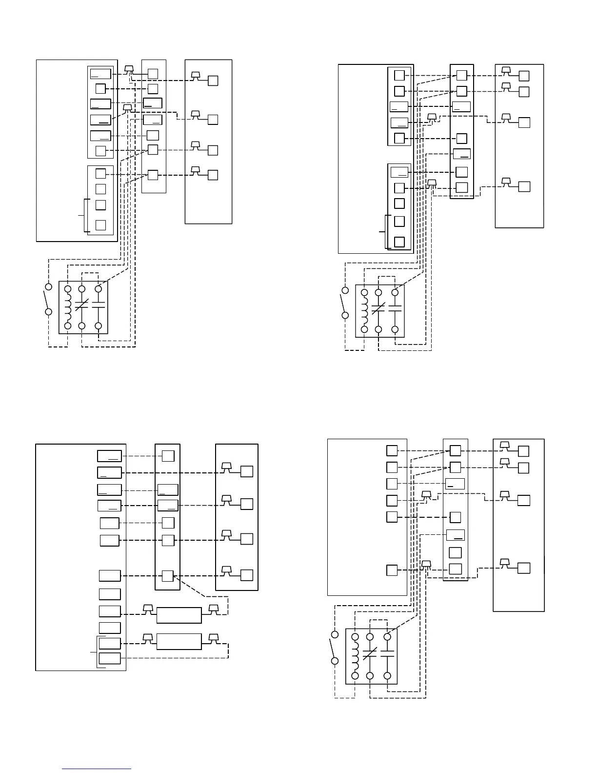
Fig. 9Typical Accessory Wiring Diagrams (Contd)
12

Related product manuals