EasyManua.ls Logo

Bryant 702B - Page 14

Bryant 702B
30 pages
Print Icon
To Next Page IconTo Next Page
To Next Page IconTo Next Page
To Previous Page IconTo Previous Page
To Previous Page IconTo Previous Page
Loading...
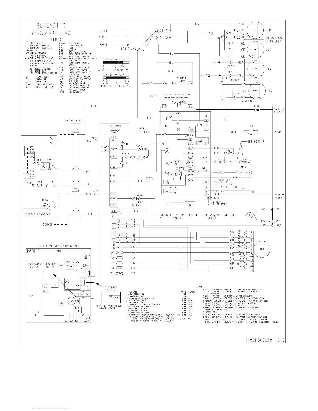
Fig. 14—ICM FIOP Electric Schematic—Unit 583B
C01035
—14—

Related product manuals