EasyManua.ls Logo

Bryant 702B - Page 20

Bryant 702B
30 pages
Print Icon
To Next Page IconTo Next Page
To Next Page IconTo Next Page
To Previous Page IconTo Previous Page
To Previous Page IconTo Previous Page
Loading...
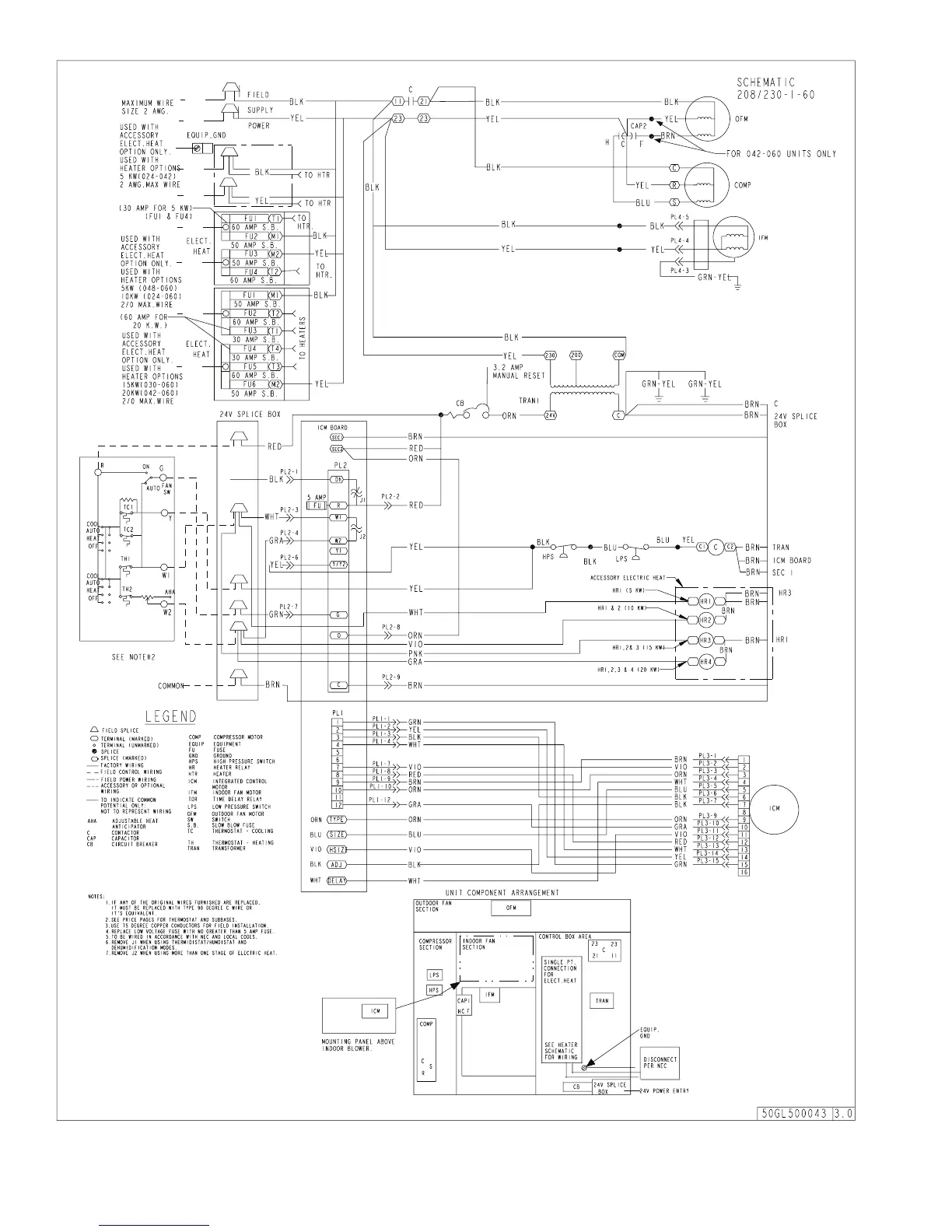
Fig. 16—ICM FIOP Electrical Schematic—702B
C01037
—20—

Related product manuals