EasyManua.ls Logo

Bryant 801SA - Accessories

Bryant 801SA
40 pages
Print Icon
To Next Page IconTo Next Page
To Next Page IconTo Next Page
To Previous Page IconTo Previous Page
To Previous Page IconTo Previous Page
Loading...
800SA/801SA: Installation, Start–Up, Operating and Service and Maintenance Instructions
Manufacturer reserves the right to change, at any time, specifications and designs without notice and without obligations.
19
The 24-v circuit contains an automotive-type, 3-amp. fuse located on the
control. Any direct shorts during installation, service, or maintenance
could cause this fuse to blow. If fuse replacement is required, use ONLY
a 3-amp. fuse of identical size.
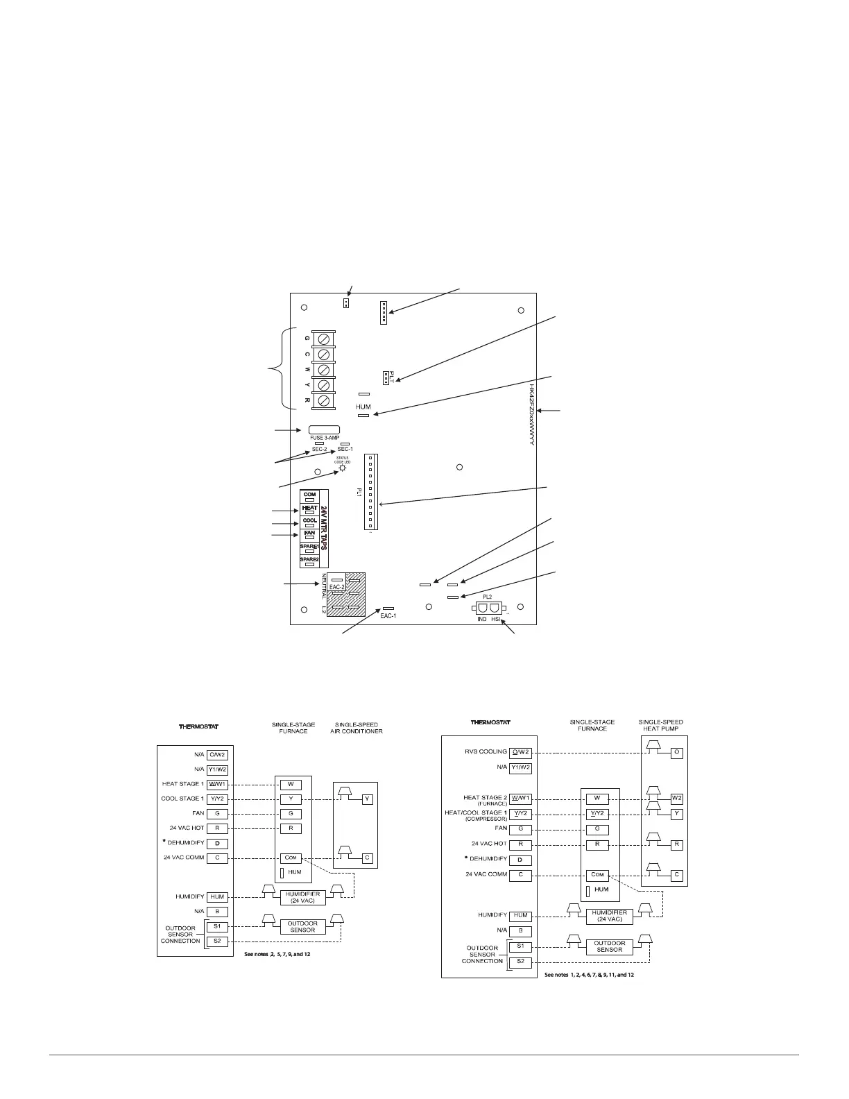
ACCESSORIES
1. Electronic Air Cleaner (EAC)
Connect an accessory Electronic Air Cleaner (if used) using 1/4-in
female quick connect terminals to the two male 1/4-in
quick-connect terminals on the control board marked EAC-1 and
EAC-2. The terminals are rated for 115 VAC, 1.0 amps maximum
and are energized during blower motor operation (see Fig. 28).
2. Humidifier (HUM)
Connect an accessory 24 VAC, 0.5 amp. maximum humidifier (if
used) to the 1/4-in male quick-connect HUM terminal and
COM-24V screw terminal on the control board thermostat strip.
The HUM terminal is energized when the pressure switch closes
during a call for heat (see Fig. 28).
NOTE: DO NOT connect furnace control HUM terminal to HUM
(humidifier) terminal on Thermidistatt, Zone Controller or similar
device. See Thermidistat, Zone Controller, thermostat, or controller
manufacturer’s instructions for proper connection.
A190023
Fig. 28 – Furnace Control
A200134
Fig. 29 – Thermostat Wiring Diagrams
24-V THERMOSTAT
TERMINALS
PL2 (115VAC) HOT SURFACE IGNITER &
INDUCER MOTOR 115V SUPPLY CONNECTOR
115-VAC (L2) NEUTRAL
CONNECTIONS
115-VAC (BL-1) BLOWER MOTOR LINE
VOLTAGE CONNECTION
EAC-1 TERMINAL
(115-VAC 1.0 AMP MAX.)
PL1 LOW VOLTAGE MAIN HARNESS
CONNECTOR
TRANSFORMER 24-VAC
CONNECTIONS
3-AMP FUSE
STATUS LED LIGHT
HEAT OFF-DELAY
HUMIDIFIER TERMINAL
(24-VAC 0.5 AMP MAX.)
BOARD PART NUMBER
LOCATION
COOLING SPEED
TAP
HEATING SPEED
TAP
PR-1
115-VAC (PR-1) TRANSFORMER
PRIMARY
J2 DEFEAT
JUMPER
TEST/TWIN
J2
HEAT OFF-DELAY
JUMPER SELECT
L1
PLT -FACTORY RUN TEST PORT
PRODUCTION USE ONLY
BL-1
115-VAC (L1) LINE VOLTAGE
CONNECTION
FAN SPEED TAP
J1
Single-Stage Furnace with Single-Speed Air Conditioner Single-Stage Furnace with Single-Speed Heat Pump

Related product manuals