EasyManua.ls Logo

Bryant DURAPAC 579F - Page 35

Bryant DURAPAC 579F
48 pages
Print Icon
To Next Page IconTo Next Page
To Next Page IconTo Next Page
To Previous Page IconTo Previous Page
To Previous Page IconTo Previous Page
Loading...
35
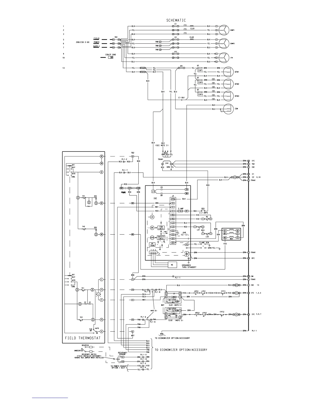
Fig. 46 — Typical Wiring Schematic (579F180, 208/230-V Shown)

Related product manuals