EasyManua.ls Logo

Bryant Evolution 284ANV Series - Page 33

Bryant Evolution 284ANV Series
40 pages
Print Icon
To Next Page IconTo Next Page
To Next Page IconTo Next Page
To Previous Page IconTo Previous Page
To Previous Page IconTo Previous Page
Loading...
186CNV / 284ANV: Service Manual
Manufacturer reserves the right to change, at any time, specifications and designs without notice and without obligations.
33
A200201
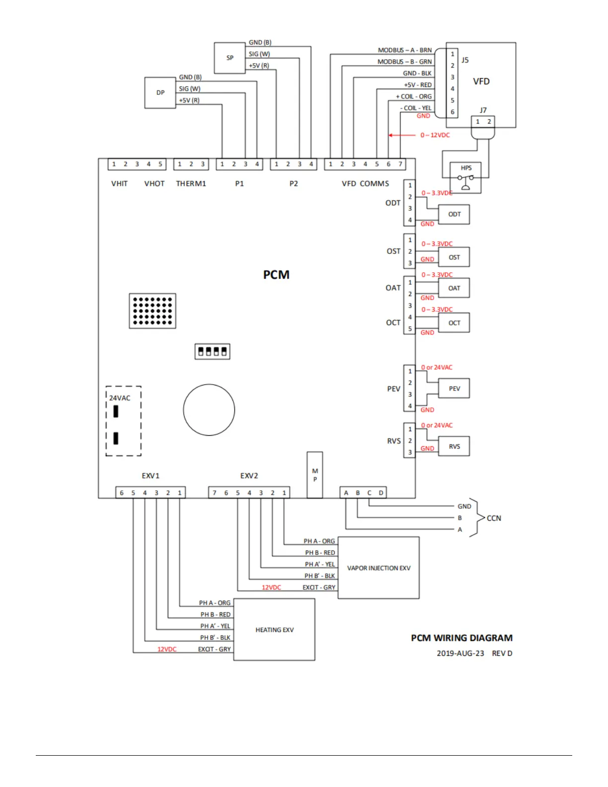
Fig. 32 – PCM Wiring Diagram

Related product manuals