EasyManua.ls Logo

Bryant Evolution 284ANV036 - Page 33

Bryant Evolution 284ANV036
40 pages
Print Icon
To Next Page IconTo Next Page
To Next Page IconTo Next Page
To Previous Page IconTo Previous Page
To Previous Page IconTo Previous Page
Loading...
186CNV / 284ANV: Service Manual
Manufacturer reserves the right to change, at any time, specifications and designs without notice and without obligations.
33
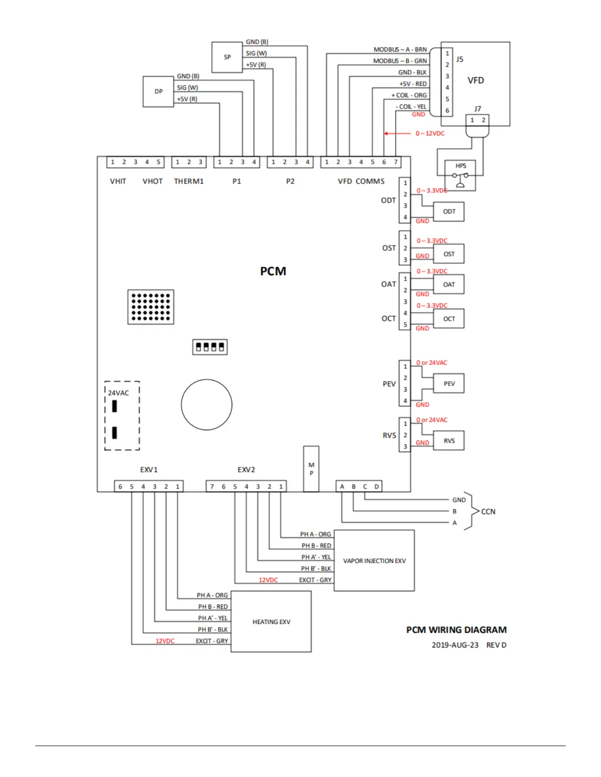
A200201
Fig. 32 – PCM Wiring Diagram

Related product manuals