EasyManua.ls Logo

Built Right BR115 S7 - Wiring Diagram

Default Icon
16 pages
Print Icon
To Next Page IconTo Next Page
To Next Page IconTo Next Page
To Previous Page IconTo Previous Page
To Previous Page IconTo Previous Page
Loading...
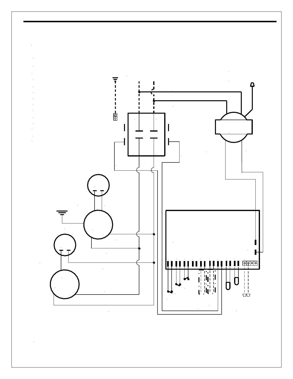
Page | 7
Field Wiring for
Remote Switch or
T'Stat
P/S
EVAP
H2O
M1
24 V
240 V
T1
Red
Black
C
R
S
Comp
Yellow
Yellow
CC
Black
White
FM
FC
Brown
Blue
Yellow
COMP
Black
WPS
LPS
HPS
T2
T1
L2
L1
Green
Red
Wires
Blue
Wires
White
Wires
Digital
Control
High Voltage
Field Connection
208-230/1/60
220-240/1/50
Black
Orange - 230V
Red Wire
Use for 208 V
Application
Legend
Comp...Compressor
CC...Compressor Capacitor
EVAP....Defrost Temp. Sensor
FC...Fan Capacitor
FM...Fan Motor
HPS...High Pressure Switch
LPS...Low Pressure Switch
H2O....Water Temp. Sensor
M1...Main Contactor
REV...Reversing Valve (Optional)
T1...Transformer
WPS...Water Pressure Switch
Built Right Pool Heater
PUMP
Optional 24 Vac
Field Wiring to
Pump
Contactor
Brown
Black
REV
24 VAC
FAN...Fan Motor Relay (Optional)
FAN
Optional 24 Vac
Field Wiring for
Fan Relay
Wiring Diagram

Related product manuals