EasyManua.ls Logo

Bunn CDBC-DV - Page 35

Bunn CDBC-DV
37 pages
Print Icon
To Next Page IconTo Next Page
To Next Page IconTo Next Page
To Previous Page IconTo Previous Page
To Previous Page IconTo Previous Page
Loading...
Page 35
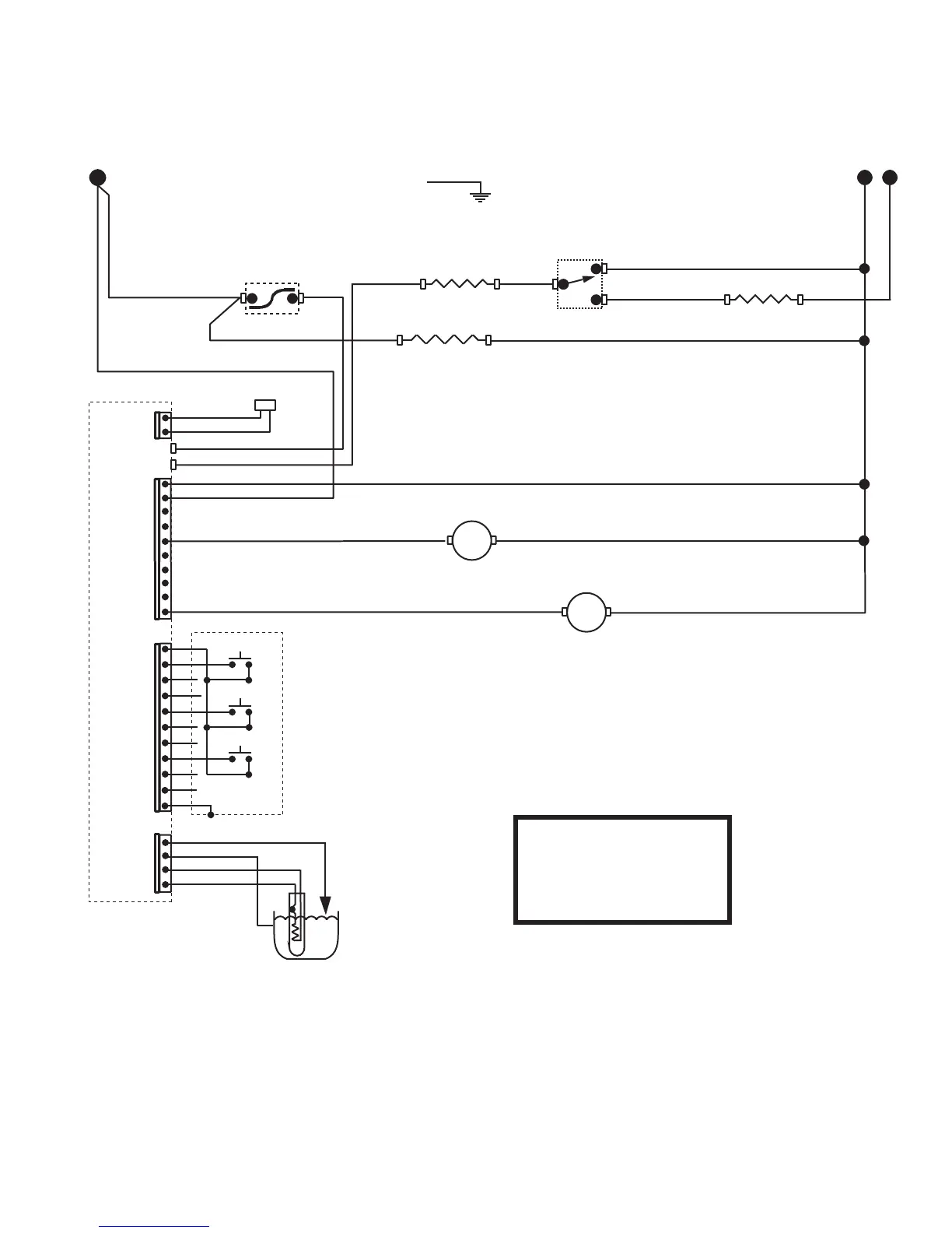
SOL
SCHEMATIC WIRING DIAGRAM CDBC APS-DV
CDBCF APS/TC/LPTC-DV
29685.0003E 08/03 ©2001 BUNN-O-MATIC CORPORATION
L1
BLU-14
BLU-14
"KEEP WARM" HEATER
LIMIT
THERMOSTAT
WHI
WHI
WHIWHI
WHI
SOL
REFILL
DISPENSE
J1-1
J1-2
J1-1
J1-5
J1-10
C
O
N
T
R
O
L
P
C
B
O
A
R
D
COM
N.O.
BLK
BLK
BLK-14
BLK-14
BLK-14
BLK
WHI/GRN
WHI/GRN
WHI/BLU
WHI/BLU
COUNTER
(OPTIONAL)
120V AC 2 WIRE
120/208V AC 3 WIRE
120/240V AC 3 WIRE
SINGLE PHASE
BLK
CONTROL PANEL ASSY
J2-1
J2-6
J2-11
BREW SW
STATIC
SHIELD
ON/OFF SW
HIDDEN SW
J3-1
J3-4
BLK
PNK
WHI
GRN
LEVEL
PROBE
t°
WHI
WHI-14
GRN
N L2
WHI/VIO-14
BLU-14
N L2
RED-14
TANK HEATER
1425W
TANK HEATER
1800W
SELECTOR
SWITCH
29707 080503

Related product manuals