EasyManua.ls Logo

Bunn CDBC-DV - Page 37

Bunn CDBC-DV
37 pages
Print Icon
To Previous Page IconTo Previous Page
To Previous Page IconTo Previous Page
Loading...
Page 37
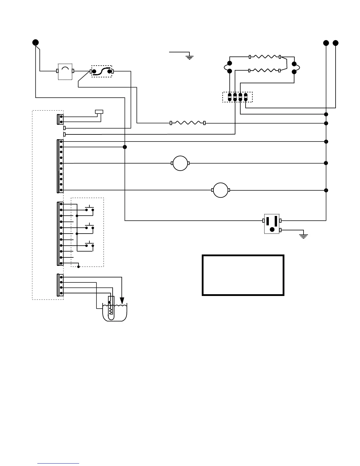
SOL
SCHEMATIC WIRING DIAGRAM CDBC - APS MV
29685.0001A 4/99 ©1999 BUNN-O-MATIC CORPORATION
L1
GRN
BLU-14
BLU-14
"KEEP WARM" HEATER
WHI
WHI
WHI
LIMIT
THERMOSTAT
WHI
WHI
WHI
SOL
REFILL
DISPENSE
J1-1
J1-2
J1-1
J1-5
J1-10
C
O
N
T
R
O
L
P
C
B
O
A
R
D
COM
N.O.
BLK
BLK
BLK
BLK-14
BLK
WHI/GRN
WHI/GRN
WHI/BLU
WHI/BLU
COUNTER
(OPTIONAL)
120V AC 2 WIRE
120/208V AC 3 WIRE
120/240V AC 3 WIRE
SINGLE PHASE
BLK
WHI
CONTROL PANEL ASSY
J2-1
J2-6
J2-11
BREW SW
ON/OFF SW
HIDDEN SW
J3-1
J3-4
BLK
PNK
WHI
GRN
LEVEL
PROBE
t°
STATIC
SHIELD
BLK-14BLK-14
20
AMP
WHI-14
TANK HEATER
GRN
TANK HEATER
N L2
BLK-14
BLK-14
BLU-14
WHI-14
N L2
THERMAL
FUSE
THERMAL
FUSE
RED-14
29707 112801

Related product manuals