EasyManua.ls Logo

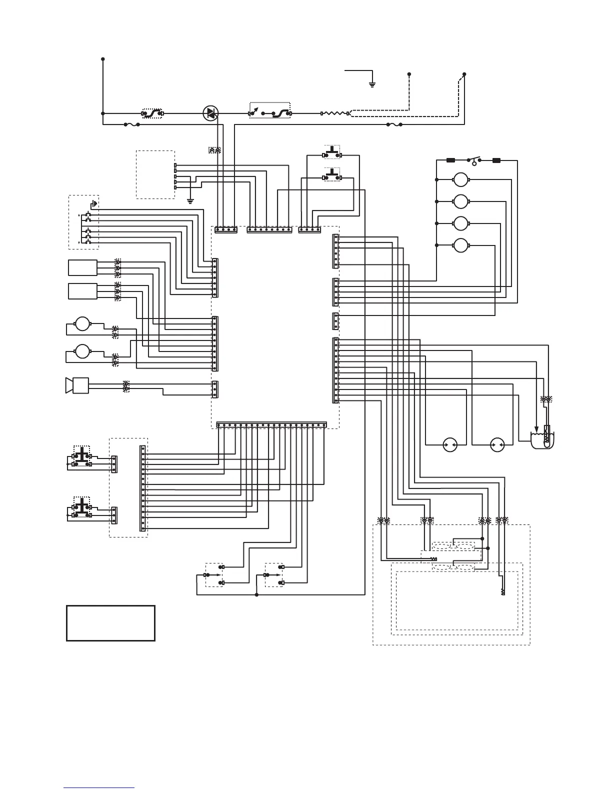
Bunn LCA-2 LCC-2 - Schematic Wiring Diagram

Bunn LCA-2 LCC-2
28 pages
Print Icon
To Next Page IconTo Next Page
To Next Page IconTo Next Page
To Previous Page IconTo Previous Page
To Previous Page IconTo Previous Page
Loading...
27
34641.0000C 12/02 © 2002 BUNN-O-MATIC CORPORATION
120 VOLTS AC 2 WIRE
120/208-240 VOLTS AC 3 WIRE
208-240 VOLTS AC 2 WIRE
SINGLE PHASE 50/60HZ
J14-1
J14-7
J7-1
J7-5
J7-10
J2-1
J2 -8
J3-1
J3-6
J4-1
J4-5
J5-1
J5-3
J6-1
J6-5
J6-10
J6-15
J6-20
J1-1
J1-4
J15-1
J15-4
C
O
N
T
R
O
L
P
C
B
O
A
R
D
J8-1
J8-3
J16-1
J16-5
J16-12
DOOR
PORTION
CONTROL
ORN
BLK
BLK
BLK
BLK
WHI
WHI
TAN TAN
BLK
GRY
GRN
RED
SOL
RED
RED
RED
RED
RED
SOL
SOL
SOL
LEFT DISP
RIGHT DISP
HOT WATER
REFILL
RED RED
OVERFLOW
PROTECTION SW
P
R
O
B
E
t°
t°
CABINET
THERMISTOR
COOLING CABINET
LEFT
CONDUCTANCE
SENSOR
RIGHT
CONDUCTANCE
SENSOR
1
WHI
WHI
WHI
BLK
WHI
RED
WHI/ORNWHI/ORN
WHI/YEL
ORN
ORN
BLK
BLK
BLK
BLK
RED
RED
VIO
VIO
BLU
BLU
RED
RED
RED
YELYEL
BEEPER
RIGHT
PUMP
LEFT
PUMP
BLK
RED
BLK
RED
BLK
RED
BLK
TRIAC
TANK HEATER
LIMIT
THERMOSTAT
Fuse 1
L1
L2 (120/208-240V 3-Wire)
N (120V 2-Wire)
N (120/208-240V 3-Wire)
L2 (208-240V 2-Wire)
Fuse 2
RED
RED/BLK
RED/BLK
BRN/WHI
BRN/WHI
ORN
BLU
PNK
BLK
BLK
VIO
VIO
BLK
RED
BLK
BLK
BLK
GRN
BRN/BLK
BRN/BLK
BLU/BLK
BLU/BLK
WHI/GRY
WHI/GRY
WHI/RED
WHI/BLU
WHI/YEL
WHI/ORN
t°
BLK
BLKBLK
BLK
REDRED
RED
RED
BLK
BLK
BLK
BLK
BLK
BLK
BLK
WHI/BLU
J1-1
J1-5
J1-10
J1-16
S
W
I
T
C
H
A
N
D
L
E
D
B
O
A
R
D
GRN
ORN
TAN
RED
BLK
WHI
GRN/WHI
GRN/BLK
WHI/BLK
WHI/GRY
WHI/VIO
WHI/YEL
RED/BLK
ORN/BLK
RED/WHI
BLU/WHI
BLU/BLK
BLK-14
BLK BLK
10 AMP 10 AMP
BLK-14 BLK-14BLU-14
RED-14
RED-14
WHIWHI
WHI
RED
RIGHT RPM
SENSOR
LEFT RPM
SENSOR
RED
BLK
BLK
RED
BLK
GRN
GRN
SELECTOR
SWITCH
SELECTOR
SWITCH
RINSE
PRIME
NITE
RUN
N(L2)
L(L1)
-V
+V
UNIVERSAL
POWER SUPPLY
1
2
3
4
5
6
7
YES (+)
EXIT
NO (-)
TOUCHPAD
GRN
GRN
GRN
SCHEMATIC WIRING DIAGRAM LCA-2, LCA-2C,LCC-2,LCC-2C
WHI/ORN
WHI/YEL BLK
BLK
BLK
ORN
GRN
BLU
WHI/RED
TAN
WHI/YEL
WHI/VIO
WHI/GRY
GRN
ORN
RED
BLK
WHI
GRN/WHI
GRN/BLK
WHI/BLK
RED/BLK
ORN/BLK
RED/WHI
BLU/WHI
BLU/BLK
WHI/YEL
HEAT SINK
THERMISTOR
LLC Models only
PELTIER
SW. & THERMOSTAT
LF DISP. SW.
RT DISP. SW.
34766 121602

Related product manuals