EasyManua.ls Logo

CAB A3 - Copy Memory Card

CAB A3
119 pages
Print Icon
To Next Page IconTo Next Page
To Next Page IconTo Next Page
To Previous Page IconTo Previous Page
To Previous Page IconTo Previous Page
Loading...
Index 1 04-09-04
C-4
Serviceanleitung / Service Manual / / /
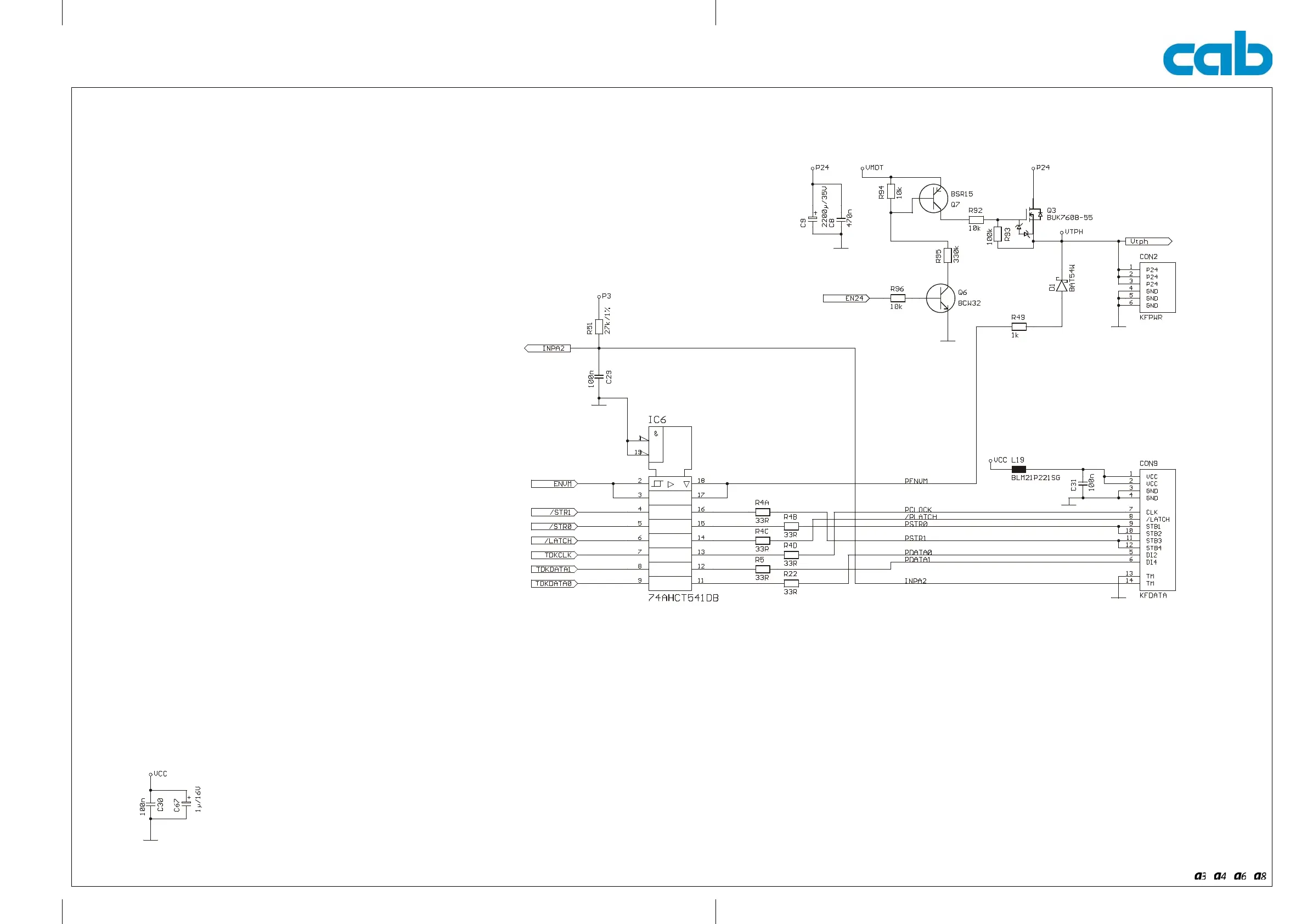
Anlage C: Stromlaufplan Leiterplatte CPU A3 : Druckkopfanschluss
Appendix C: Circuit Diagram Mainboard A3 (PCB CPU) : Printhead Connection

Table of Contents

Other manuals for CAB A3

Related product manuals