EasyManua.ls Logo

CAB FABY 3 - Electrical Table

Default Icon
22 pages
Print Icon
To Next Page IconTo Next Page
To Next Page IconTo Next Page
To Previous Page IconTo Previous Page
To Previous Page IconTo Previous Page
Loading...
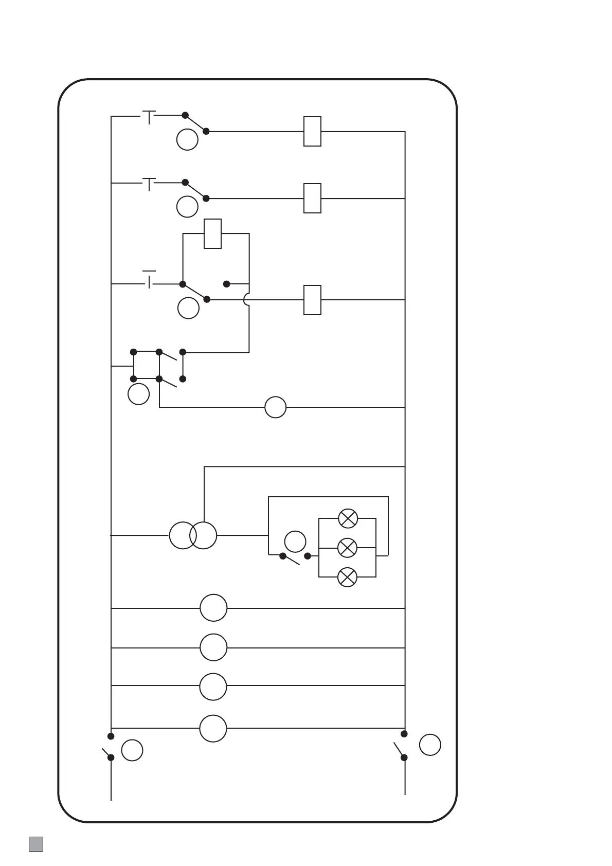
ELECTRICAL TABLE
1) Fan motor 2) Gear Motor 1 3) Gear motor 2 4) Gear motor 3 5) Transformer 6) Compressor 7) Thermostat 8)
Electro-valve 1 9) Electro-valve 2 10 11) Micro-switch 1 12) Micro-switch 2 14)
Light 1 A) Main power switch B)Individual bowl freeze/refrigeration switch C) Main
freeze/refrigeration switch (Mod./2 and Mod./3) D) Light switch G) Individual bowl freeze/refrigeration switch (Mod./2
e Mod./3)
) Electro-valve 3 13) Micro-switch 2
15) Light2 16) Light 3
5
4
3
2
1
6
C
8
9
10
12 13
11
C
NC
NC
NC
7
D
C
MM
32
M
1
V
A
A
EV
1
EV
EV
2
3
T
1
B
G
G
16
15
14
17

Related product manuals