EasyManua.ls Logo

Cadet 1027 - Page 36

Cadet 1027
40 pages
Print Icon
To Next Page IconTo Next Page
To Next Page IconTo Next Page
To Previous Page IconTo Previous Page
To Previous Page IconTo Previous Page
Loading...
36
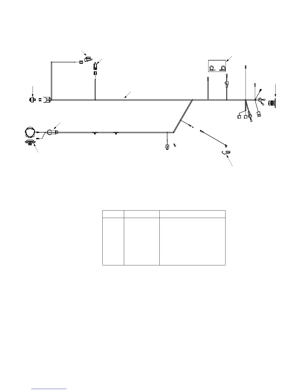
Model 1027
Ref. No. Part No. Description
1.
629-0855 Harness Assembly
2.
725-0267 Ignition Switch: 5 Pin
3.
725-1426 Solenoid: 12 V. 100 amp.
4.
725-1657A Interlock Switch
5.
725-1727 Battery Cover
6.
725-1746 Spring Switch
7.
725-3234 Seat Switch: 1/4 Turn N/C
8.
725-1698
Battery
6
3
1
4
4
2
7
5
8

Related product manuals