EasyManua.ls Logo

Calorex PPT16 - Page 46

Calorex PPT16
119 pages
Print Icon
To Next Page IconTo Next Page
To Next Page IconTo Next Page
To Previous Page IconTo Previous Page
To Previous Page IconTo Previous Page
Loading...
Page 43
Calorex Heat Pumps Ltd. · The Causeway, Maldon, Essex CM9 4XD, UK
Technical Manual
PPT8/12/16/22LX/LY SLIMLINE
SD638160 ISSUE 22d
®
639458
RELAY/HARD START
CAPACITOR SD073150
O 0.5
B 0.5
W 0.5
REMOTE
ON/OFF
10
11
EARTH BLOCK
G/Y 4.0
G/Y 4.0
G/Y 4.0
G/Y 4.0
G/Y 4.0
G/Y 2.5
G/Y 4.0
G/Y 4.0
G/Y 0.75
EARTH
SUPPLY IN
BASE PLATE
G/Y 4.0
G/Y 4.0
G/Y 4.0
G/Y 4.0
G/Y 4.0
G/Y 4.0
CABINET PANELS
EARTH LOOM
BR 0.5 BR 0.5 BR 0.5
B 0.5
LOOM ASSY
INTERLOCK
COMPRESSOR
C
S
R
V 0.5
BR 2.5
P 2.5
B 2.5
G/Y 2.5
WIRE COLOUR CODE
R RED
B BLUE
BL BLACK
BR BROWN
P PINK
W WHITE
V VIOLET
GR GREY
R/BL RED/BLACK
R/W RED/WHITE
R/O RED/ORANGE
GR/B GREY/BLUE
W/BL WHITE/BLACK
G/Y GREEN/YELLOW
MODEL
FUSE RATINGS
ELECTRIC BOX OUTLINE
NOTES
1 2 3
4 5
6 7 8 9
10
11
12
SENSOR
DIGITAL POOL STAT
GR/B 0.5
BR 6.0
INCOMING
SUPPLY
1 3 5
A1 A2
CONTACTOR
& O/LOAD
2 4 6
B 2.5
N L 5 6 7 8
B 0.5
WATER FLOW
SWITCH
RELAY/HARD START
CAPACITOR SD073150
RUN CAPACITOR
B 2.5
B 6.0
9
10
B 6.0
13
14
BR 6.0
NO
W 0.5
FLYING
LEAD
FUSE
0.5 = 0.5mm CONDUCTOR SIZE
1.0 = 1.0mm CONDUCTOR SIZE
ETC.
2
2
PPT22
3A
HP SWITCH
H
C
V 0.5
W/BL 0.5
C L
LP SWITCH
BR 6.0
BR 0.5
BR 2.5
R/O 0.5
W 0.5
VOLT FREE
POOL PUMP
RUN MAX 3A
R/G 0.5
O/BL 0.5
P 2.5
O ORANGE
R/G RED/GREEN
O/BL ORANGE/BLACK
R/B RED/BLUE
R/BR RED/BROW N
2 4 6
95
96
NC
V 0.5
GR/B 0.5
MODEL
OVERLOAD SETTING
PPT22
29.7A
B 2.5
R 6.0
R 6.0
SOFT START KIT
(IF FITTED)
LOOM
13
14
15 16 17
18
19
20
21
22
23
24
O 0.5
R/BL 0.5
P 0.5
GR 0.5
BR 0.5
B 0.5
11 12 13 14 15 16 17 18 19
SENSOR
DEFROSTWATER TEMP
3A
R/O 0.5
W/BL 0.5
B 0.5
R/G 0.5
GR/B 0.5
GR/B 0.5
GR/B 0.5
GR/B 0.5
B 0.5
B 0.5
B 0.5
R/BL 0.5
O/BL 0.5
P 0.5
GR 0.5
R/W 0.5
BR 0.75
B 0.75
W 0.5
R/W 0.5
REVERSING VALVE
1
4
REMOTE ON/OFF
INTERLOCK
1514
(WATER TEMP)
2
9
N/C
21
20
19
18
13
14
17
15
16
23
(L)
(DEFROST)
SENSOR
N/O
N/O
N/C
COM
COM
COM
COM
N/O
OUT2
OUT4
N/O
POOL STAT
10
12
OUT3
OUT1
LIVE
NEUTRAL
12
13
COMPRESSOR
R
S
C
RUN CAP
START CAPS
SOFT
START
IF
FITTED
SOFT START
THERMAL
OVERLOAD
& FAULT
LIGHT
RELAY/HARD
IF FITTED
HP SWITCH
LP SWITCH
BREAKS ON
PRESSURE
FALLING
BREAKS ON
PRESSURE
RISING
C
L
C
H
(N/C)
(N/C)
SENSOR
FLOW
SWITCH
A1
A2
FAN
VOLT FREE
POOL PUMP RUN
MAX 3Amps
19 18
COMPRESSOR
O/LOAD ALARM
95
96
O/LOAD
4
2
6
CONTACTOR
3
1
4
2
(N/O)
(N/O)
5
6
(N/O)
3A
CONTROL FUSE
24
(N)
3
22
DIGITAL INPUTS
di1
di2
di4
di3
com
97
98
BL 0.5
GR/B 0.5
BL 0.5
NO
GR/B 0.5
97 98
(N/O)
COMPRESSOR
O/LOAD ALARM
11
SUPPLY
BL 1,5BL 1,5
INTERFACE BLOCK
SOFT START INTERLOCK
W 0.5
W 0.5
W 0,5
W 0,5
BR 2.5
P 2.5
B 2.5
BR 2.5
B 2.5
P 2.5
REVERSING VALVE
FLEX
CABLE
FAN (ZIEHL-ABEGG)
G/Y 0.75
BR 0.75
B 0.75
TB TB U1 U2 Z1 Z2
R 1.5
LINK TO BE
ADDED TO
FAN T/B
PPT22ALY
LABEL P639459 ISSUE 1
1 / PJ 31/08/12
NTS
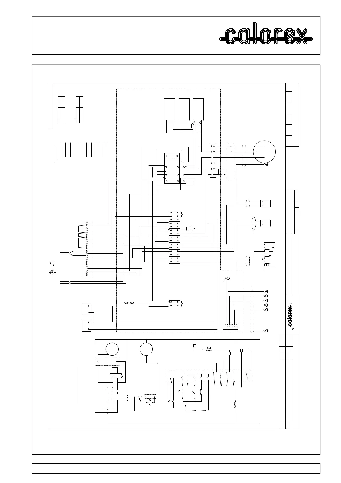
WIRING DIAGRAM
1
D639458
D639458
1 AS DRAWN 31/08/12
BR 6.0
BL 1,5BL 1,5
ISS C/N APPD DATE
R
c
U.C.C.
CALOREX HEAT PUMPS LTD
MATERIAL
FINISH
TOLERANCE UNLESS SPECIFIED
HOLES TO BS 4500 E12
INSPECTION LEVEL DIMS
SHT No. CONT' DRAWN
ALL SHARP EDGES AND BURRS TO BE REMOVED
DRG No.
APPROVED DATE SCALE
DO NOT SCALE PRINT
3rd ANGLE PROJECTION
IF IN DOUBT ASK
TITLE
DRG No.
DRAWING CHANGE
UNCONTROLLED WHEN PRINTED
ELECTRICAL CIRCUIT DIAGRAM

Table of Contents

Other manuals for Calorex PPT16

Related product manuals