EasyManua.ls Logo

Calorex PPT16 - 1.1 Heat Pump Function Explained

Calorex PPT16
119 pages
Print Icon
To Next Page IconTo Next Page
To Next Page IconTo Next Page
To Previous Page IconTo Previous Page
To Previous Page IconTo Previous Page
Loading...
Page 5
Calorex Heat Pumps Ltd. · The Causeway, Maldon, Essex CM9 4XD, UK
Technical Manual
PPT8/12/16/22LX/LY SLIMLINE
SD638160 ISSUE 22d
®
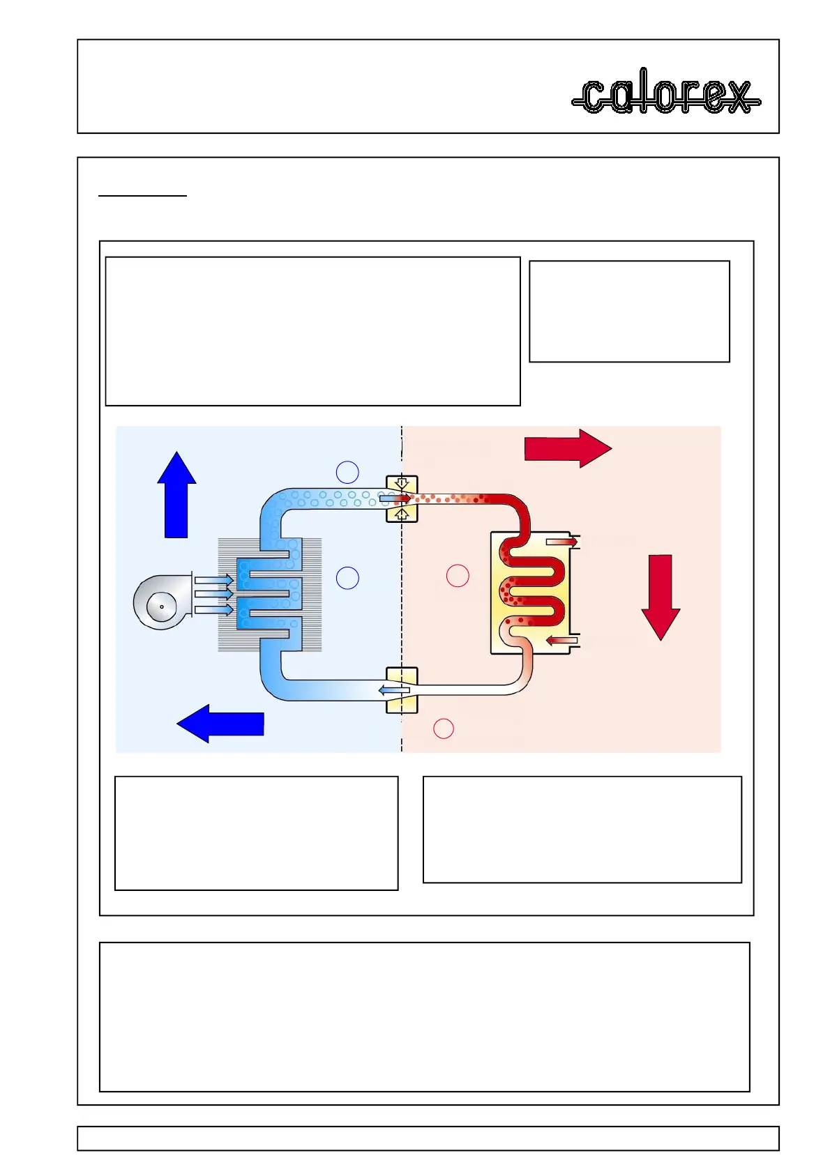
1.1 Function
The Calorex Swimming pool heat pump provides thermodynamic heating by
means of a vapour compression cycle, (similar to that employed in a
conventional refrigerator), in addition to acting as an active solar collector.
Coefficient of Performance
The efficiency of a Heat Pump is usually called its ‘Coefficient of Performance’ - (C.O.P.)
which is simply a ratio of heat output to energy input, both being expressed in kW. Thus a
Heat Pump absorbing 1 kW of electricity, collecting 4 kW of energy from the air, and
delivering 5 kW of heat to the pool water is said to have a C.O.P. of 5:1.
This ratio will vary according to the temperature of the water and the ambient air.
4. THE EXPANSION DEVICE and from
there, now at normal pressure, it is
returned to the evaporator and the cycle
starts again.
THE HEAT PUMP CYCLE
POOL
WATER OUT
POOL
WATER IN
HOT GAS
HEAT
EXCHANGER
CONDENSED
REFRIGERANT
HIGH PRESSURE SIDE
COMPRESSOR
EXPANSION
VALVE
LOW PRESSURE SIDE
COOL LIQUID
REFRIGERANT
AMBIENT
AIR
COOL GAS
EVAPORATOR
1
2
3
4
THE HEAT PUMP CYCLE
1. THE EVAPORATOR collects the heat from the outside
ambient air, pre-heated by the sun. In the Calorex swimming
pool heat pumps, high volumes of outside air are drawn into the
unit by the fan expelled through the evaporator fins. The
evaporator has liquid refrigerant passing through it which is at a
considerably lower temperature than the ambient air.
Therefore the air gives up its heat to the refrigerant which then
vaporises.This preheated vapour now travels to -
3. THE CONDENSER where it is surrounded
by the pool water. The heat is given up to the
cooler pool water and the now cooler refrigerant
returns to its former liquid state but still under
high pressure from the compressor. This
pressure is released by passing liquid through-
2. THE COMPRESSOR
where it is compressed and
upgraded to a much higher
temperature. The hot vapour
now enters-

Table of Contents

Other manuals for Calorex PPT16

Related product manuals