EasyManua.ls Logo

Cambridge Engineering S1600 - Operating Instructions; Operating Sequence

Default Icon
78 pages
Print Icon
To Next Page IconTo Next Page
To Next Page IconTo Next Page
To Previous Page IconTo Previous Page
To Previous Page IconTo Previous Page
Loading...
Cambridge Engineering, Inc. 32 S-Series Technical Manual
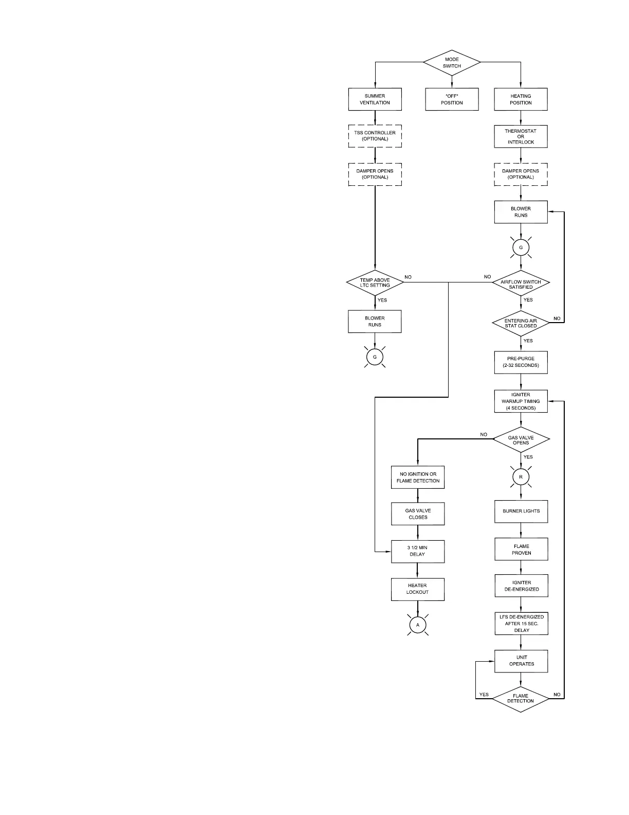
OPERATING INSTRUCTIONS
OPERATING SEQUENCE
POWER ON
1. Control transformer energized.
2. Operator must select “SUMMER
VENTILATION” or “HEATING” mode.
SUMMER VENTILATION MODE
1. Mode switch in “SUMMER VENTILATION”
position.
2. Optional TSS Controller schedule calls for
ventilation.
3. Optional motorized damper opens.
4. Blower motor starts.
5. Unit continues to run until turned off.
HEATING MODE
1. Mode switch in “HEATING” position.
2. Thermostat or interlock calls for heat.
3. Optional motorized damper opens.
4. Blower motor starts.
5. Airflow switch closes.
6. Entering air thermostat closes when inlet temper-
ature is below setpoint after the prepurge delay.
7. Igniter warm up timing.
8. Gas valve opens.
9. Burner lights.
10. Igniter is de-energized.
11. Low Fire Start is de-energized after 15 seconds.
12. Unit runs and modulates until operating thermo-
stat and/or interlock opens (heater shuts off).
13. Steps (2) through (12) repeat themselves auto-
matically as necessary.

Related product manuals