EasyManua.ls Logo

Camp Power SIM-700 - 3 Operating Instructions; System Circuit Diagram; AC Priority Mode; Ac_Gen_Shore Is Cut off

Camp Power SIM-700
16 pages
Print Icon
To Next Page IconTo Next Page
To Next Page IconTo Next Page
To Previous Page IconTo Previous Page
To Previous Page IconTo Previous Page
Loading...
4
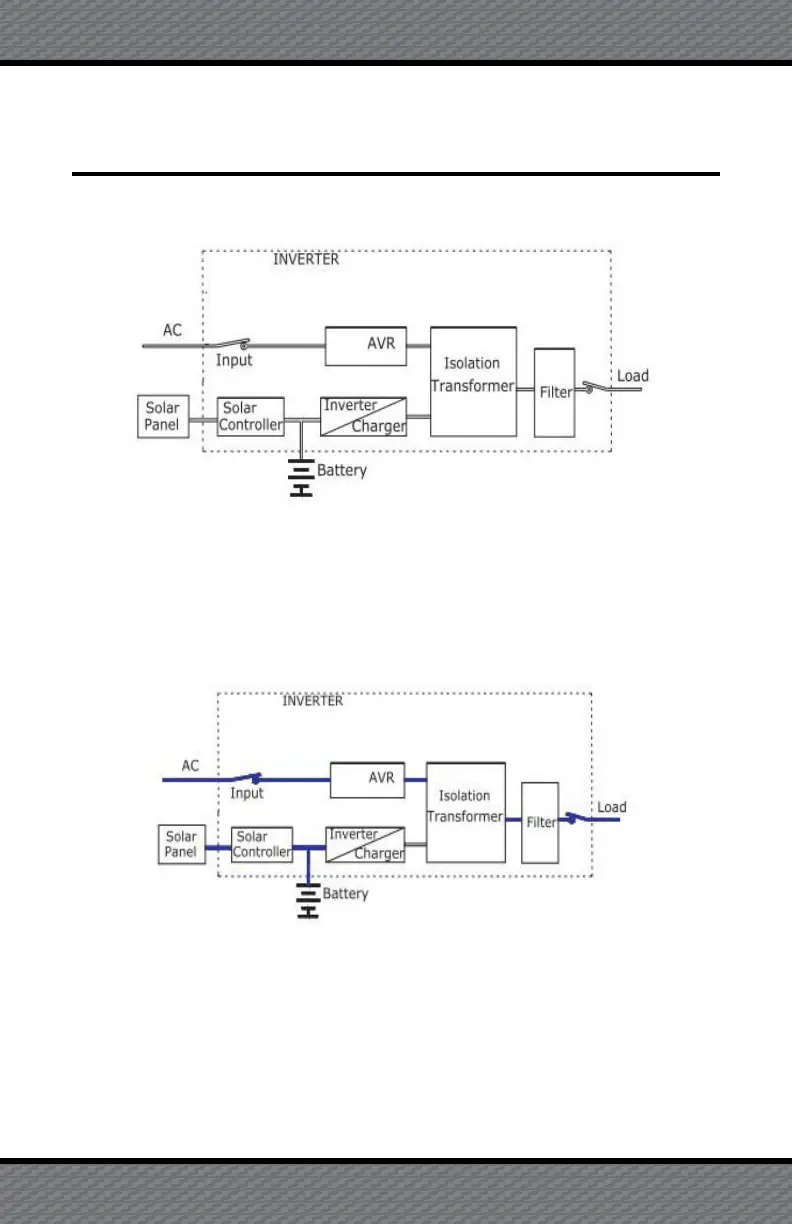
3.2 AC Priority Mode
When AC power supply is normal: AC input will provide power to AC
outputs through regulator. At this time, PV gives power to batteries only
through MPPT control system.
3. OPERATING INSTRUCTIONS
3.1 System Circuit Diagram
3.3 AC_Gen_Shore Is Cut Off
The system automatically acts as a UPS (Universal Power Supply) and
will convert the energy of battery and PV solar promptly, this allows the
constant power to AC output. If PV solar power is not strong enough,
then battery will continue to supply power to outlets until drained.