EasyManua.ls Logo

Camp Power SIM-700 - No AC or Solar Input; PV Solar Priority Mode

Camp Power SIM-700
16 pages
Print Icon
To Next Page IconTo Next Page
To Next Page IconTo Next Page
To Previous Page IconTo Previous Page
To Previous Page IconTo Previous Page
Loading...
5
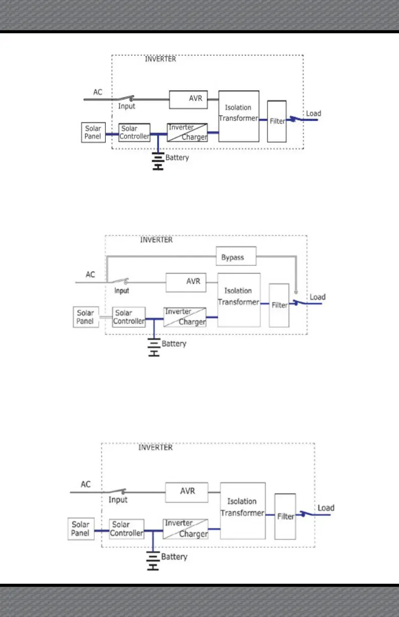
3.4 No AC or Solar Input
The system will convert to the battery to supply load promptly and give
constant power supply.
3.5 PV Solar Priority Mode
1. During the day, with ample sunlight, and AC Switch is non: solar panel
will adjust to the largest state through solar power controller and
give power to load through the inverter (AC input as a standby), and
charge the battery at the same time (see below diagram);