EasyManua.ls Logo

Candy CI642MCBB - Page 58

Candy CI642MCBB
208 pages
Print Icon
To Next Page IconTo Next Page
To Next Page IconTo Next Page
To Previous Page IconTo Previous Page
To Previous Page IconTo Previous Page
Loading...
57
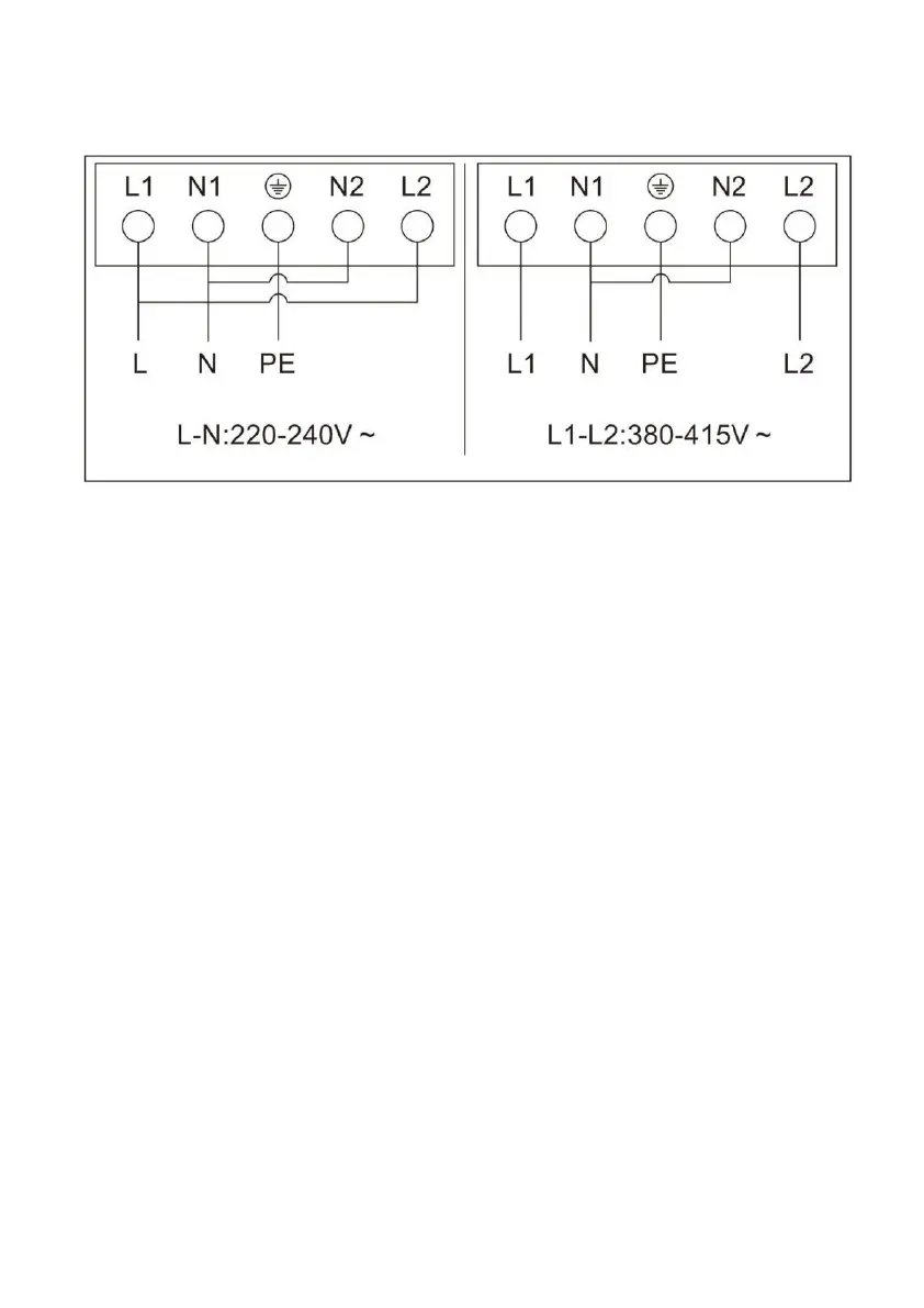
Ligar a placa à rede elétrica
A alimentação elétrica deve ser ligada em conformidade com a norma relevante ou com
um disjuntor de um polo. O método de ligação é mostrado abaixo.
Se o cabo estiver danificado ou precisar de ser substituído, isso deve ser feito por
um técnico pós-venda com as ferramentas adequadas, de modo a evitar qualquer
acidente.
Se o aparelho estiver conectado diretamente à rede elétrica, deve ser instalado um
disjuntor de um polo com uma folga mínima de 3 mm entre contactos.
O instalador deve certificar-se de que foi efetuada a ligação elétrica correta e que
está em conformidade com os regulamentos de segurança.
O cabo não deve ficar dobrado ou comprimido.
O cabo deve ser verificado regularmente e substituído apenas por uma pessoa
qualificada.

Table of Contents

Related product manuals