EasyManua.ls Logo

Cannon FITZP - Flue Installation; Flue System Requirements

Cannon FITZP
24 pages
Print Icon
To Next Page IconTo Next Page
To Next Page IconTo Next Page
To Previous Page IconTo Previous Page
To Previous Page IconTo Previous Page
Loading...
9
Gas type: Natural or Propane gas, as indicated
on data label
Gas consumption: 26 MJ/hr input
Energy star rating: 3.77
Energy output: 20.7 MJ/hr
Heater type: Heater approved to AG 103.
Operating pressure: Natural gas: 1.0 kPa
Propane gas: 2.65 kPa
Min. inlet pressure: 1.20 kPa (NG)
For Propane gas regulated to supply
2.65 kPa
Gas regulator: Integral with controller
Fan: Three speed
Controller: Electronic
Power requirement: 240 VAC 10 A
Optional Accessories: Safety guard
Gold or silver trim
Glass front
Cathedral ceiling flue box
Flue kit: 3 x 900mm lengths of 125mm ø
painted flue.
1 x 900mm length of 125mm ø
plain flue.
1 x ceiling ring.
1 x 900mm painted bottom flue
spigot length.
Overall dimensions: Refer fig. 8.
Heater Specifications
8
16
This heater is a flued appliance. It must be properly connected to a
flue system in accordance with the latest edition of the Gas Installa-
tion Code, AS 5601/AG 601.
If elbows are needed, the total horizontal length depends on the
number of elbows used. Venting should never slope down. A 6mm
per 500mm horizontal rise is recommended.
If practical locate the heater in a position to minimise the use of
horizontals and elbows.
The flue rise should be a minimum of 1.8m before any horizontal
run is used.
If placed against a combustible wall the 40mm rear spacers locate
against the wall.
1. Ensure clearances to combustible have been observed. For clear-
ances refer page 10.
2. The centre line of the flue is 120mm to rear of appliance (includ-
ing rear spacers).
3. Carry out installation as per figure 26 (ceiling plate installation)
and figure 27 (flue installation).
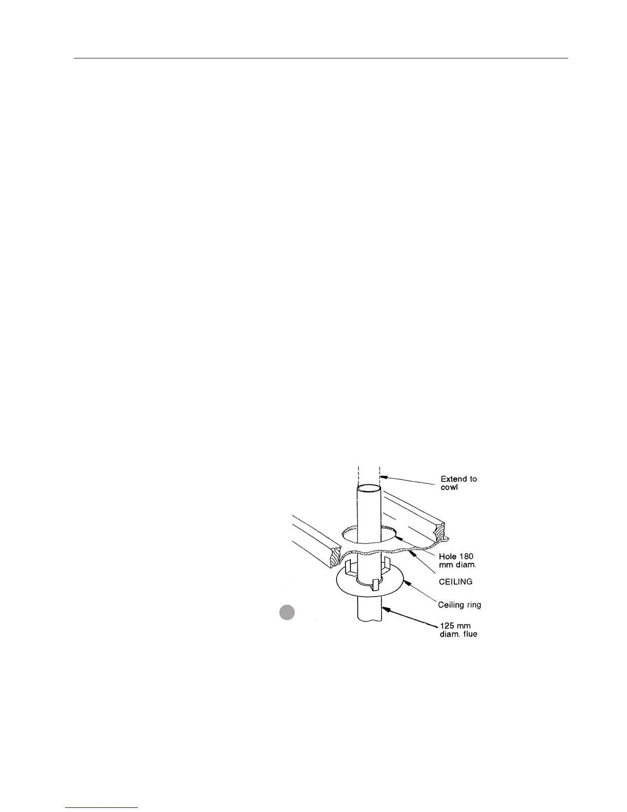
Cut a hole 180mm ø in the ceiling in line with the flue position.
Secure ceiling plate against the ceiling by bending out the tabs
above the ceiling.
Note: If the ceiling has an incline, the ceiling box will need to
be fitted. Installation instructions are supplied with the ceiling
box.
The flue kit contains:
3 x 900mm lengths of 125mm ø painted flue.
1 x 900mm length of 125mm ø plain flue.
1 x ceiling plate
1 x 900mm painted bottom flue spigot.
20
26
Flue installation
Flue kit

Related product manuals