EasyManua.ls Logo

Carel uC2 - Air;Air Unit, Two Circuits, 1 Condenser Fan Circuit

Carel uC2
20 pages
Print Icon
To Next Page IconTo Next Page
To Next Page IconTo Next Page
To Previous Page IconTo Previous Page
To Previous Page IconTo Previous Page
Loading...
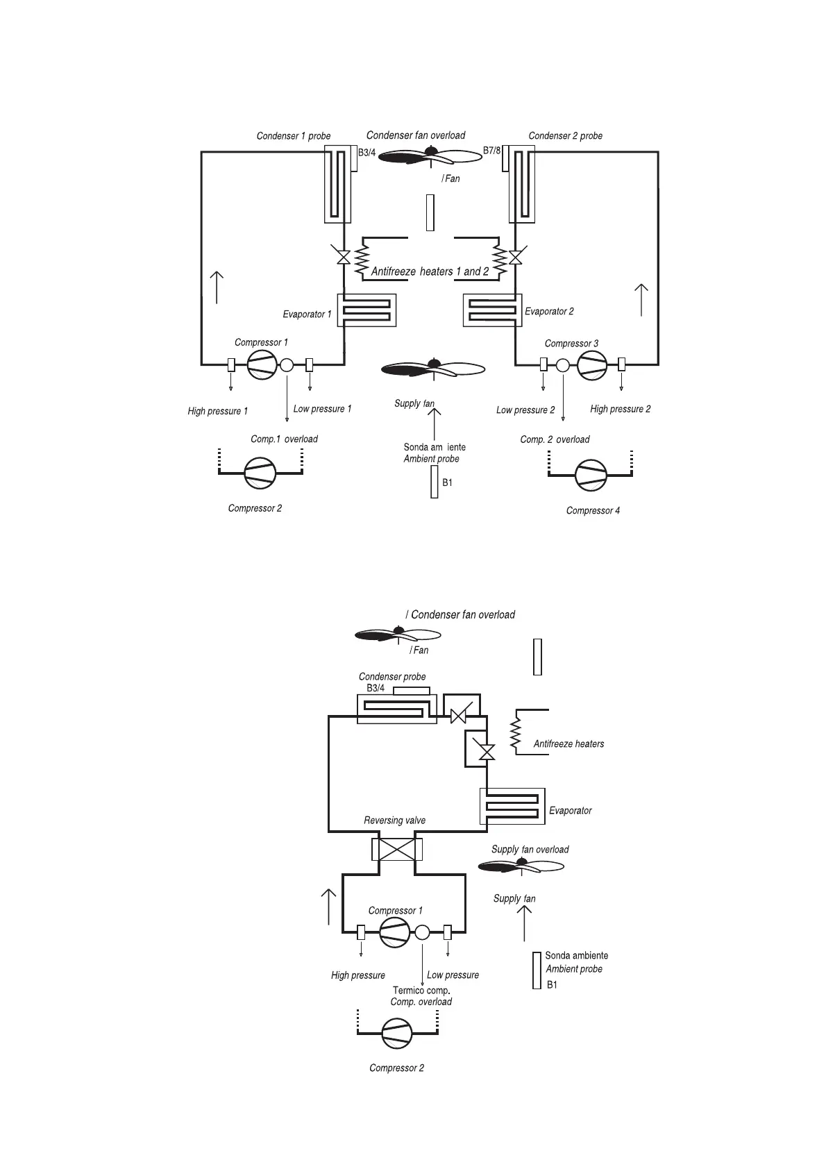
3.3 Unidad aire/aire, dos circuitos, 1 circuito de venti-
lación de condensación
3.4 Bomba de calor aire/aire, un circuito
3.3 Air/air unit, two circuits, 1 condenser fan circuit
3.4 AIR/AIR heat pump, single circuit
13
µC
2
- cod. +030220420 - rel. 2.1 - 17.01.05
Sonda impulsión
Supply probe
B2
b
Sonda condensador 1
Térmico ventilador condensación Sonda condensador 2
Ventilador
Resistencias
antihielo 1 y 2
Evaporador 1
Evaporador 2
Compresor 1
Compresor 3
Compresor 2
Compresor 4
Baja presión 1
Baja presión 2
A
lta presión 1
Alta presión
2
Ventilador de impulsión
Térmico comp 1
Térmico comp 2
Fig. 3.3.1
Sonda impulsión
Supply probe
B2
T
érmico ventilador condensación
Resistencias antihielo
Sonda condensador
Ventilador
Evaporador
Válvula de inversión
Térmico ventilador de impulsi
ón
Ventilador de impulsión
Compresor 1
Baja presión
Alta presión
Compresor 2
Fig. 3.4.1

Related product manuals