EasyManua.ls Logo

Carel uC2 - Page 19

Carel uC2
20 pages
Print Icon
To Next Page IconTo Next Page
To Next Page IconTo Next Page
To Previous Page IconTo Previous Page
To Previous Page IconTo Previous Page
Loading...
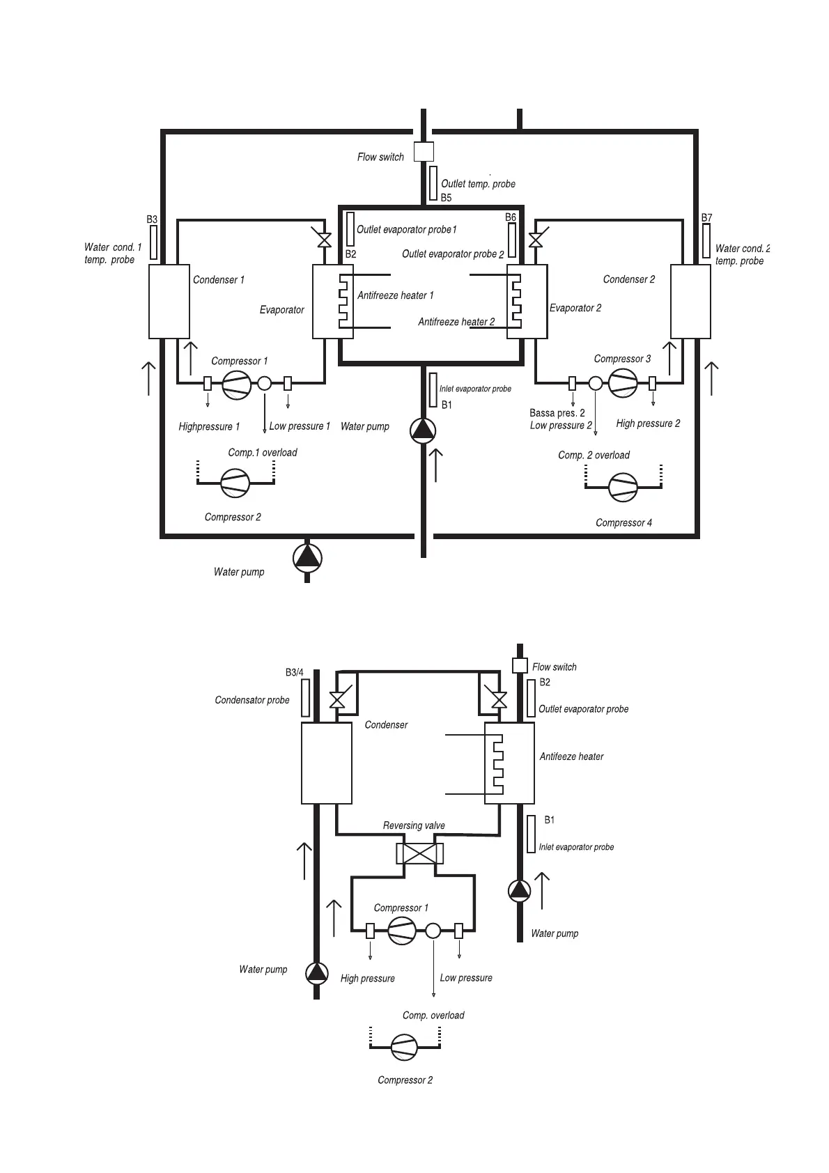
3.15 Enfriadora AGUA/AGUA, 2 circuitos, 2 evapora-
dores
3.16 Bomba de calor AGUA/AGUA con inversión del
circuito de gas, un circuito
3.15 WATER/WATER chiller, two circuits, 2 evapora-
tors
3.16 WATER/WATER heat pump with reversal on gas
circuit, single circuit
19
µC
2
- cod. +030220420 - rel. 2.1 - 17.01.05
Interruptor de flujo
Sonda temp. de impulsión
Sonda temp.
agua cond. 1
Sonda tem
p
agua cond.
2
Sonda salida evaporador 1
Sonda salida evaporador 2
Resistencia antihielo 1
Resistencia antihielo 2
Condensador 1
Condensador 2
Bomba de agua
Sonda entrada evaporador
Compresor 1
Compresor 3
Evaporador 1
Evaporador 2
Alta presión 1
Baja presión 1
Alta presión 2
Térmico comp. 1
Térmico comp. 2
Bomba de agua
Compresor 2
Compresor 4
Fig. 3.15.1
Interruptor de flujo
Sonda condensador
Condensador
Sonda salida evaporador
Resistencia antihielo
Válvula inversión
Compresor 1
Bomba de agua
Sonda entrada evaporador
Compresor 2
Bomba de agua
Alta presión
Baja presión
Térmico comp.
Fig. 3.16.1

Related product manuals