EasyManua.ls Logo

Carrier 30GX080-265 - Field Wiring Diagram Notes for Non-Fused Disconnect Option

Carrier 30GX080-265
12 pages
Print Icon
To Previous Page IconTo Previous Page
To Previous Page IconTo Previous Page
Loading...
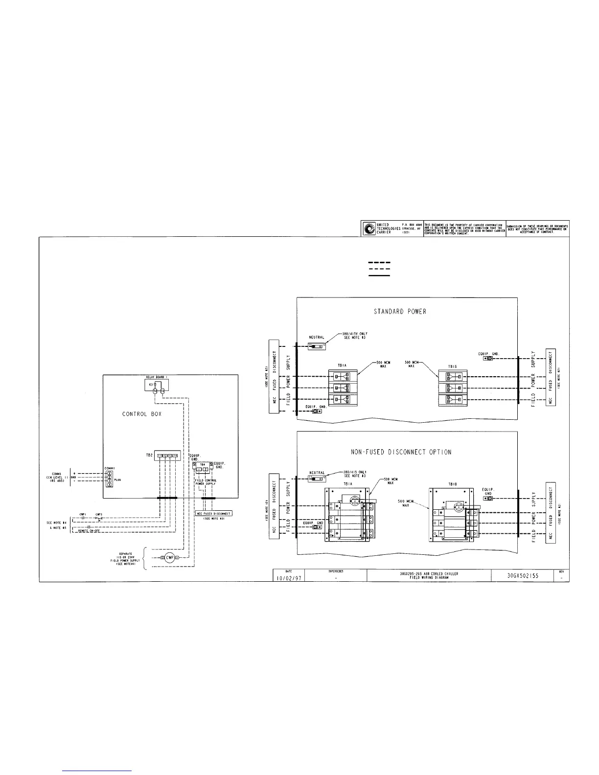
FIELD WIRING DIAGRAM
NOTES:
1. Factory wiring is in accordance with National Electrical Code (NEC). Field modifi-
cations or additions must be in compliance with all applicable codes.
2. Wiring for main field power supply must be rated 75° C minimum. Use copper for
all units. Maximum incoming wire size for each terminal block is 500 kcmil.
3. Power for control circuit should be supplied from a separate source through a field
supplied fused disconnect with 30 amp maximum protection for 115 volt control
circuits and 15 amp maximum protection for 230 volt control circuit. Connect con-
trol circuit power to terminals 1 and 2 of TB4. Connect neutral side of supply to
terminal 2 of TB4. Control circuit conductors for all units must be coppr only. 380/
415 control power wired at factory. Requires field supplied neutral connection.
4. Terminals 13 and 14 of TB2 are for field external connection for remote ON-OFF.
The contacts must be rated for dry circuit application capable of handling a 24 vac
to 50 mA load.
5. Terminals 11 and 12 of TB2 are for chilled water flow switch (CWFS) and chilled
water pump interlock (CWPI) functions. The contacts must be rated for dry circuit
application capable of handling a 24 vac to 50 mA load.
6. Terminals T3 and T4 on relay board are for chilled water pump. The maximum load
allowed for the chilled water pump relay is 125 va sealed, 1250 va inrush at 115 or
230 volt. Minimum load required is 25 va sealed.
LEGEND
CCN Carrier Comfort Network
CWFS Chilled Water Flow Switch
CWP Chilled Water Pump
CWPI Chilled Water Pump Interlock
EQUIP Equipment
GND Ground
TB Terminal Block
Field Power Wiring
Field Control Wiring
Factory Installed Wiring
12

Related product manuals