EasyManua.ls Logo

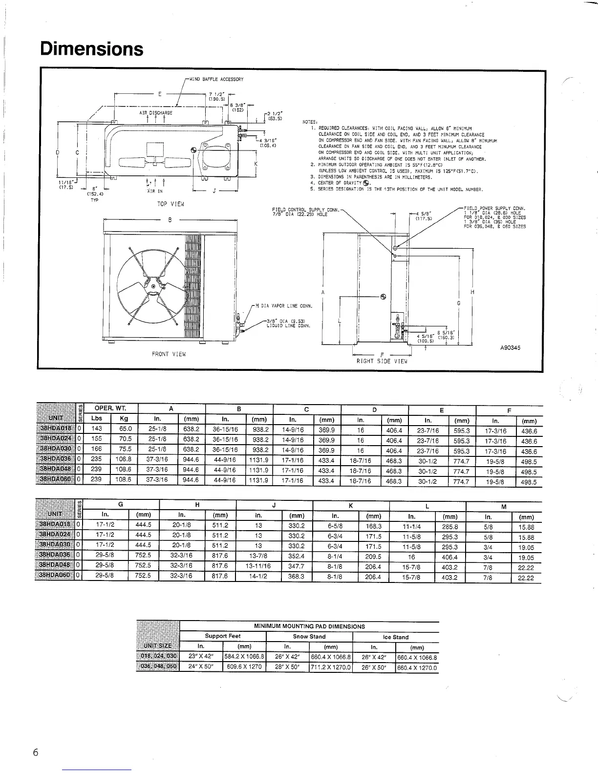
Carrier 38HDA - Dimensions; Unit Dimensions and Mounting

Carrier 38HDA
22 pages
Print Icon
To Next Page IconTo Next Page
To Next Page IconTo Next Page
To Previous Page IconTo Previous Page
To Previous Page IconTo Previous Page
Loading...

Related product manuals