EasyManua.ls Logo

Carrier 38KCR009713 - Evacuation

Carrier 38KCR009713
65 pages
Print Icon
To Next Page IconTo Next Page
To Next Page IconTo Next Page
To Previous Page IconTo Previous Page
To Previous Page IconTo Previous Page
Loading...
Service manual
17
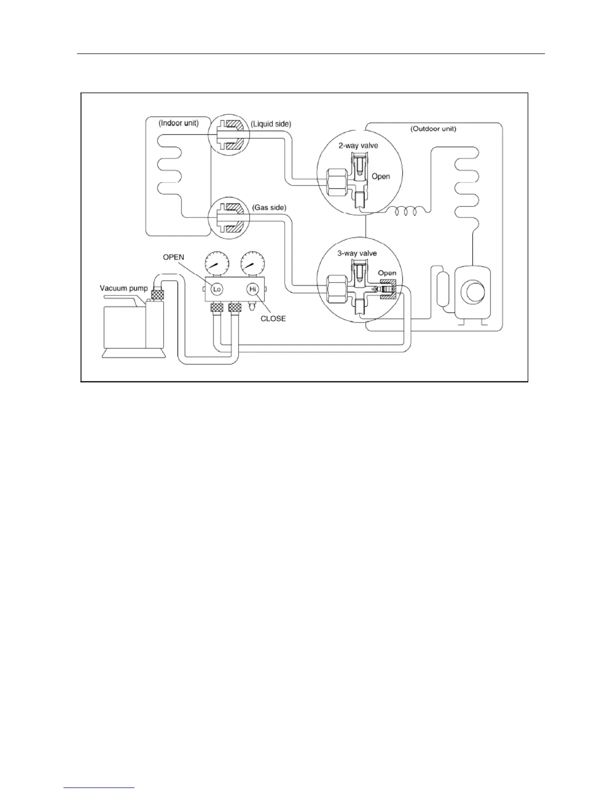
7.8 Evacuation
Procedure:
Connect the vacuum pump to the charge sets centre hose.
Evacuation for approximately one hour.
Confirm that the gauge needle has moved toward -0.1 Mpa (-76 cmHg) [vacuum of 4 mmHg or less].
Close the valve (Low side) on the charge set, turn off the vacuum pump, and confirm that the gauge needle does
not move (approximately 5 minutes after turning off the vacuum pump).
Disconnect the charge hose from the vacuum pump.
Vacuum pump oil, if the vacuum pump oil becomes dirty or depleted, replenish as needle.

Table of Contents

Other manuals for Carrier 38KCR009713

Related product manuals