EasyManua.ls Logo

Carrier 39LA - Page 26

Carrier 39LA
40 pages
Print Icon
To Next Page IconTo Next Page
To Next Page IconTo Next Page
To Previous Page IconTo Previous Page
To Previous Page IconTo Previous Page
Loading...
26
NOTE: All wiring must be copper and must conform to the NEC (National Electrical Code).
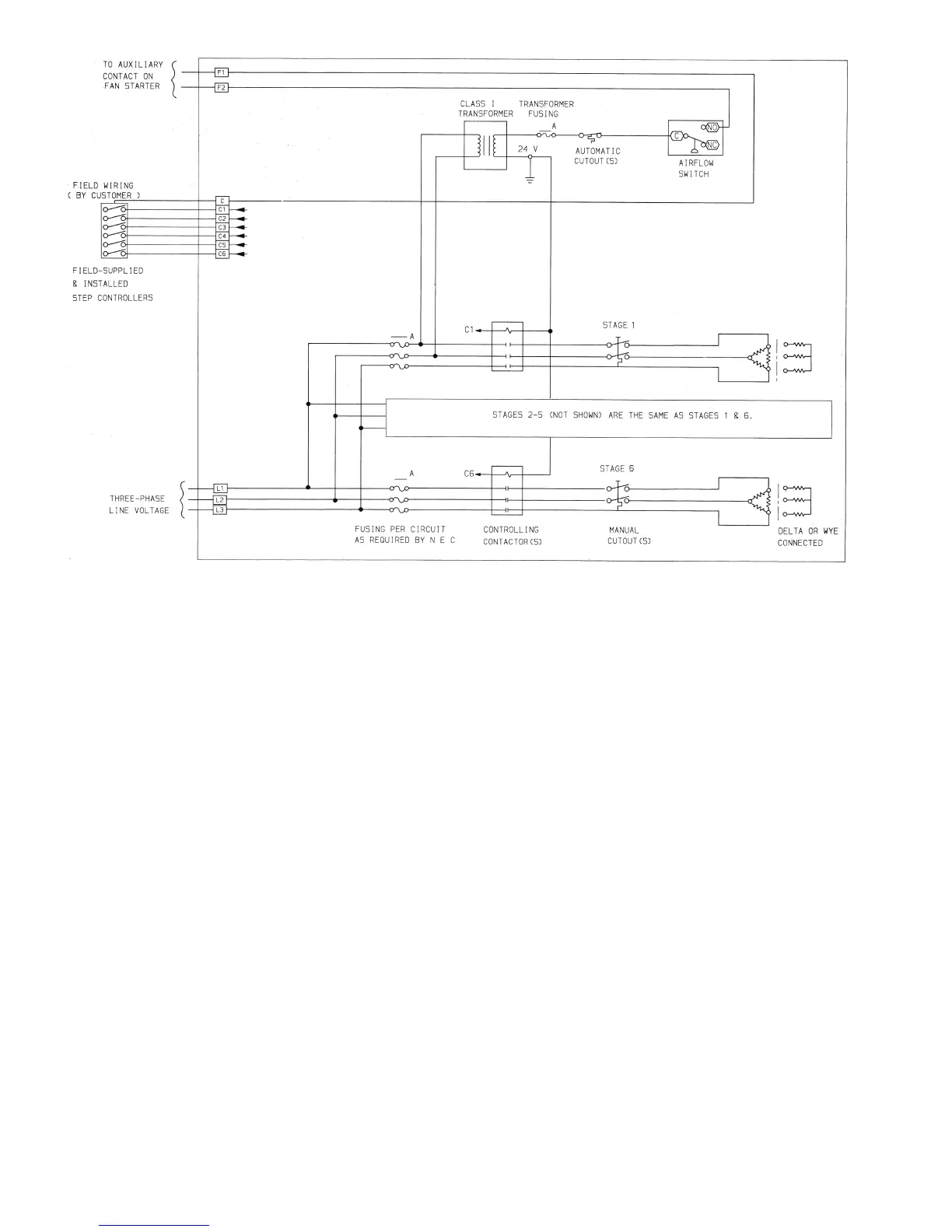
Fig. 32 — Typical Electric Heater Wiring Schematic

Related product manuals