EasyManua.ls Logo

Carrier 42 SERIES - Thermostatic Fan Control, 2-Pipe System with Safety Cycle; Thermostatic Electric Valve Control, 2-Pipe

Carrier 42 SERIES
32 pages
To Next Page IconTo Next Page
To Next Page IconTo Next Page
To Previous Page IconTo Previous Page
To Previous Page IconTo Previous Page
Loading...
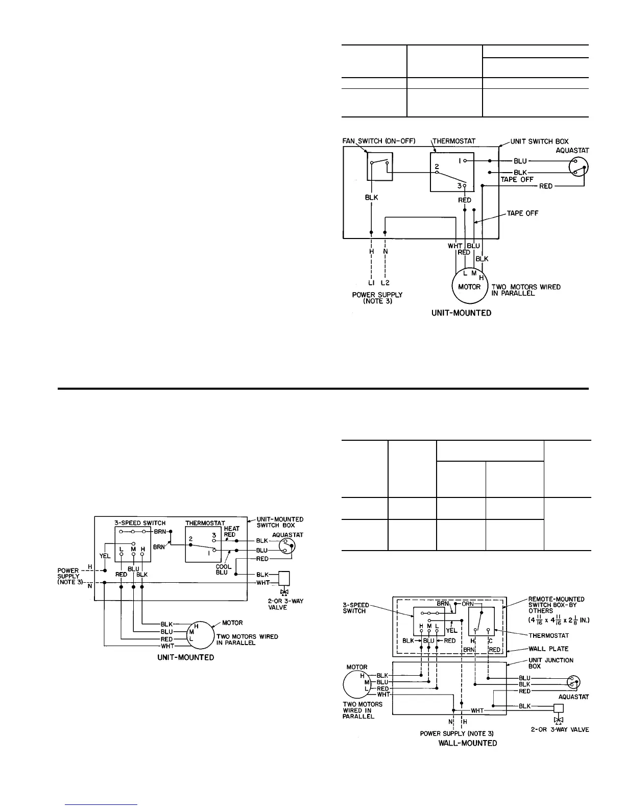
Thermostatic Fan Control, 2-Pipe System with
Safety Cycle
This control is used for high humidity
situations in which condensate problems can occur if fan is
turned off while chilled water is still running through the
coil.
The wiring provides fan cycling from HIGH to LOW on
the cooling cycle and from LOW to OFF on the heating cycle.
An ON-OFF toggle switch replaces the standard 3-speed fan
switch. The toggle switch can be concealed to ensure that
the unit runs on low speed when cooling. This action greatly
reduces the chance of condensation problems that exist with
other standard fan cycling controls.
For control package descriptions, see control components
section entitled Remote-Mounted Controls and Unit-Mounted
Controls.
UNIT
TYPE
LOCATION
PACKAGE CODE*
Heating and Cooling
Plus Changeover
Vertical Unit Mounted 24-R
Vertical
or
Horizontal
Wall Mounted 23-17
* Packages listed on current price pages.
For NOTES, see below.
Thermostatic Electric Valve Control, 2-Pipe
A thermostatically controlled 2-position valve provides su-
perior control to fan cycling. With this control, the fan runs
continuously unless it is manually switched to the OFF po-
sition. The fan must be on before the valve can be opened to
supply water to the coil.
This system can be used for normal 2-pipe changeover
systems and can also be furnished for cooling-only or heating-
only applications by omitting the changeover and specifying
which application is intended.
NOTES:
1. Motors are thermally protected.
2. Use copper conductors only.
3. See unit nameplate for power supply. Provide disconnect means
and overload protection as required.
For control package descriptions, see control components
sections entitled Remote-Mounted Controls and Unit-
Mounted Controls.
UNIT
TYPE
LOCATION
THERMOSTAT OR
WIRING PACKAGE*
ELECTRIC
VALVE
Heating or
Cooling
Only
Heating and
Cooling
Plus
Changeover†
Vertical
Unit
Mounted
24-M,
24-N
24-L
Any 2- or
3-way,
2-position
valve
package.
Vertical
or
Horizontal
Wall
Mounted
22-C, 22-D,
22-E, 22-F
22-A, 22-B
*Packages listed on current price pages. First 2 digits are item
numbers.
†For alternate thermostat with manual changeover. Refer to current
price pages.
5

Related product manuals