EasyManua.ls Logo

Carrier 48TC D/E24 Series - Page 48

Carrier 48TC D/E24 Series
64 pages
To Next Page IconTo Next Page
To Next Page IconTo Next Page
To Previous Page IconTo Previous Page
To Previous Page IconTo Previous Page
Loading...
48
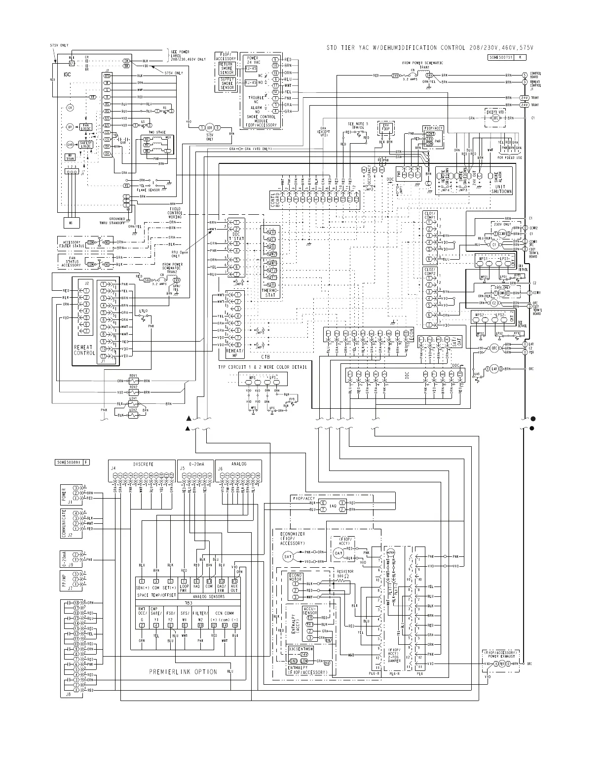
Fig. 53 — PremierLink Wiring Diagram with Humidi-MiZer
®
System

Table of Contents

Related product manuals