EasyManua.ls Logo

Carrier 50TC-D25 - Page 14

Carrier 50TC-D25
82 pages
To Next Page IconTo Next Page
To Next Page IconTo Next Page
To Previous Page IconTo Previous Page
To Previous Page IconTo Previous Page
Loading...
14
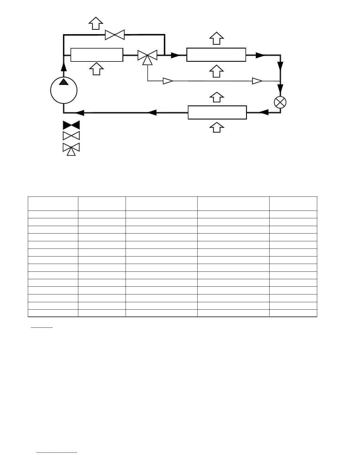
CONDENSER COIL
HUMIDI-MIZER COIL
EVAPORATOR COIL
COMPRESSOR
OUTDOOR AIR
INDOOR AIR
RH2.x
VALVE
RH1.x
VALVE
TXV
VALVE
= CLOSED VALVE
= OPEN VALVE
= 3-WAY VALVE
C07124A
Fig. 18 Hot Gas Reheat Mode (Reheat 2) – HumidiMiZerR System
Table 2 – HumidiMiZerR Reheat Control Board I/O
Point Name Type
Connection
Pin Number
Unit
Connection
Note
Humidistat/LTLO DI, 24VAC J1A - 1 (1) LTLO
Thermostat W1 DI, 24VAC J1A - 2 (2) CTB - REHEAT - 4
Econ Y1 DI, 24VAC J1A - 6 (6) CTB - REHEAT - 5
Thermostat G DI, 24VAC J1B - 1 (7) CTB - REHEAT - 1
24V Power (J1) 24VAC J1B - 3 (9) CTB - R
24V Power (J2) 24 VAC J2 - 1 CTB - R
Econ Y2 DI, 24VAC J1B - 5 (11) CTB - REHEAT - 7 2 - circ only
COMP1 DO, 24VAC J1A - 5 (5) CTB - HEAT - 6
IFM DO, 24VAC J1B - 4 (8) CTB - REHEAT - 2
COMP2 DO, 24VAC J1B - 4 (10) CTB - REHEAT - 8
LSV DO, 24VAC J2 - 2 FTP (BLK)
DSV1 DO, 24VAC J2 - 3 DSV
NOT LSV DO, 24VAC J2 - 4 2 - circ only
DSV2 DO, 24VAC J2 - 5 2 - circ only
LEGEND
COMP — Compressor
CTB — Control Terminal Board
DI — Discrete Input (switch)
DO — Discrete Output (switch)
DSV — Discharge (gas) Solenoid Valve
ECON — Economizer
FPT — Freeze Protection Thermostat
IFM — Indoor (supply) Fan Motor
LSV — Liquid Solenoid Valve
LTLO — Low Temperature Lockout
REHEAT — Connection Strip REHEAT (on CTB)

Related product manuals