EasyManua.ls Logo

Carrier 50TC-D25 - PremierLink System Control Wiring Diagram

Carrier 50TC-D25
82 pages
To Next Page IconTo Next Page
To Next Page IconTo Next Page
To Previous Page IconTo Previous Page
To Previous Page IconTo Previous Page
Loading...
77
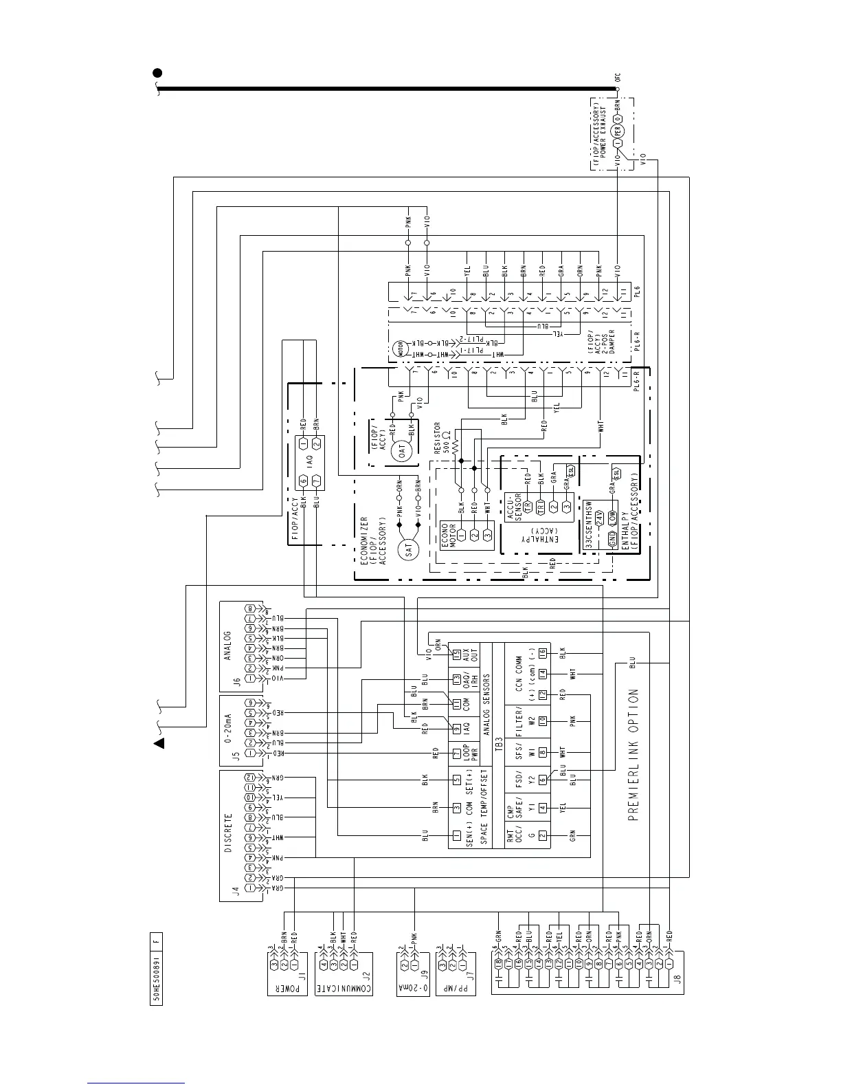
APPENDIX IV. WIRING DIAGRAMS
C12690
Fig. 66 50TC PremierLinkt System Control Wiring Diagram

Related product manuals