EasyManua.ls Logo

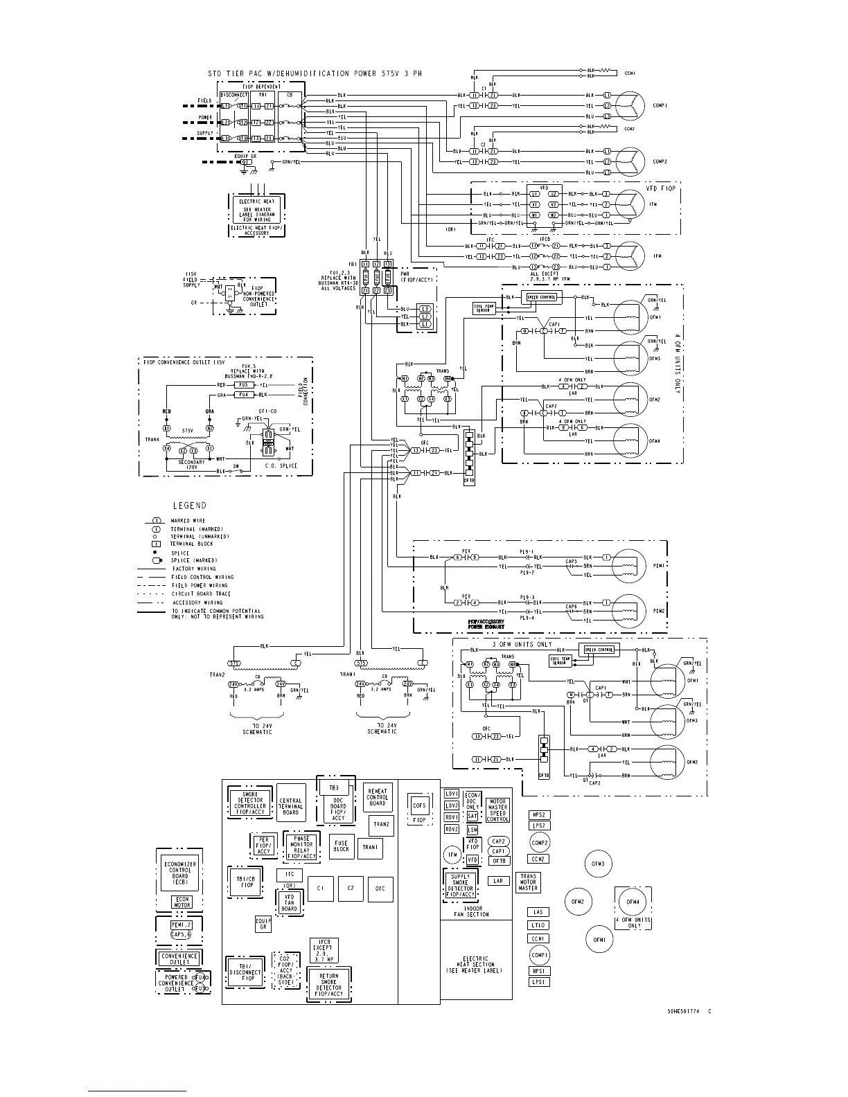
Carrier 50TC-D30 - Fig. 65 - 50 TC D17 - D30 Power Diagram 575-3-60 with Humidi-MiZer

Carrier 50TC-D30
82 pages
To Next Page IconTo Next Page
To Next Page IconTo Next Page
To Previous Page IconTo Previous Page
To Previous Page IconTo Previous Page
Loading...
76
APPENDIX IV. WIRING DIAGRAMS
C150379
Fig. 65 50TC D17 D30 Power Diagram 575360 with HumidiMiZer®

Related product manuals