EasyManua.ls Logo

Carrier 62E - Page 21

Carrier 62E
40 pages
To Next Page IconTo Next Page
To Next Page IconTo Next Page
To Previous Page IconTo Previous Page
To Previous Page IconTo Previous Page
Loading...
21
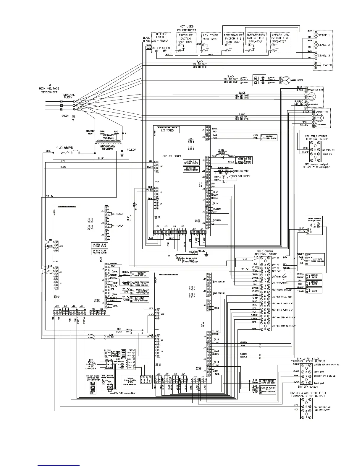
ERV OPTION BOARD #1
ERV OPTION BOARD #2
Fig. 14 — Typical Wiring Schematic

Related product manuals