EasyManua.ls Logo

Carrier AC310 - Page 58

Carrier AC310
63 pages
Print Icon
To Next Page IconTo Next Page
To Next Page IconTo Next Page
To Previous Page IconTo Previous Page
To Previous Page IconTo Previous Page
Loading...
6--16T--304
04/08
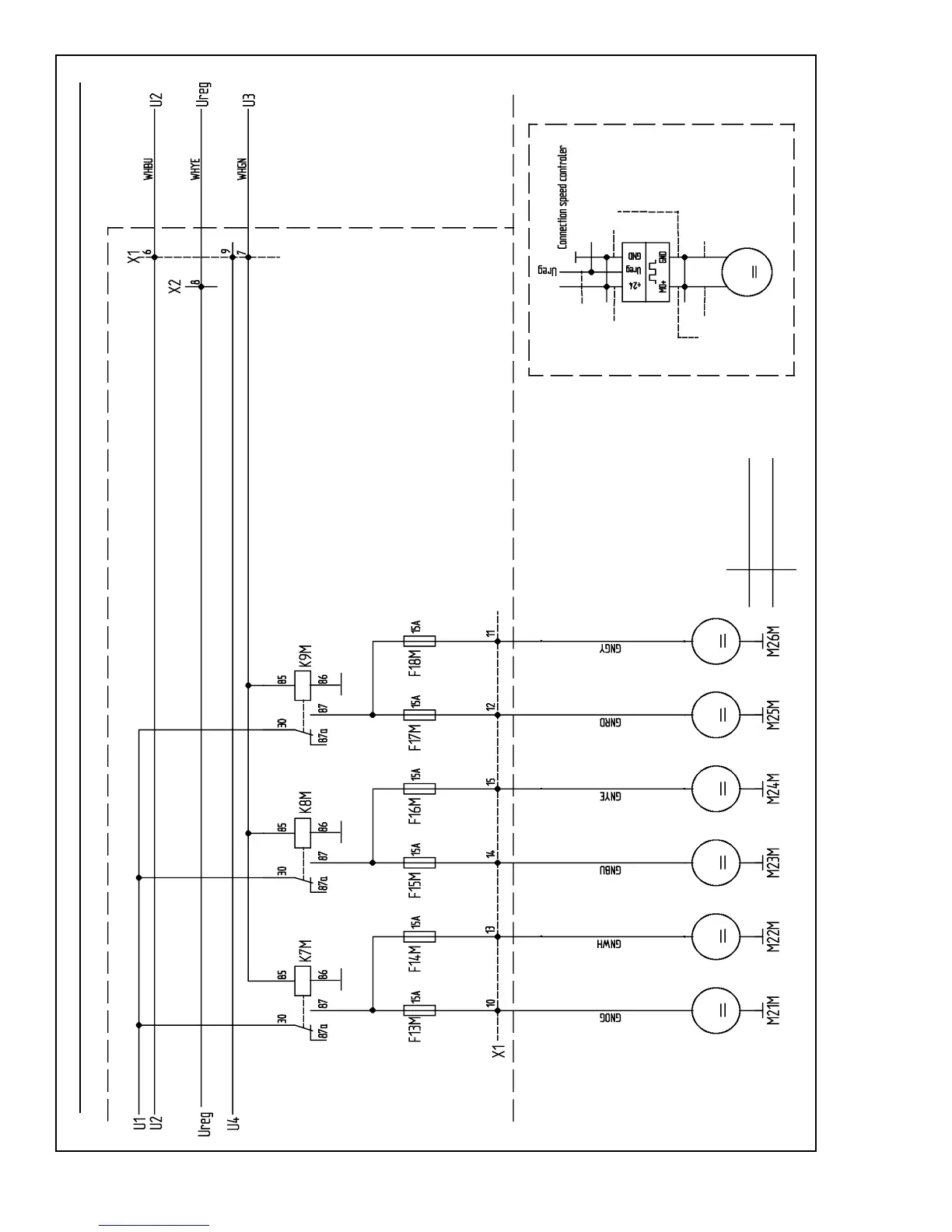
CONDENSER MOTORS
Installed Motors
AC310
AC350
M21M -- M24M
M21M -- M26M
MMM
MM
M
Brown
Green
Grey
Yellow
Red
X10.2
X10.1
X10
+
M
+
+
Figure 6--15 Thermostat (One/Two Compressors)

Table of Contents

Related product manuals