EasyManua.ls Logo

Carrier AC310 - Page 60

Carrier AC310
63 pages
Print Icon
To Next Page IconTo Next Page
To Next Page IconTo Next Page
To Previous Page IconTo Previous Page
To Previous Page IconTo Previous Page
Loading...
6--18T--304
04/08
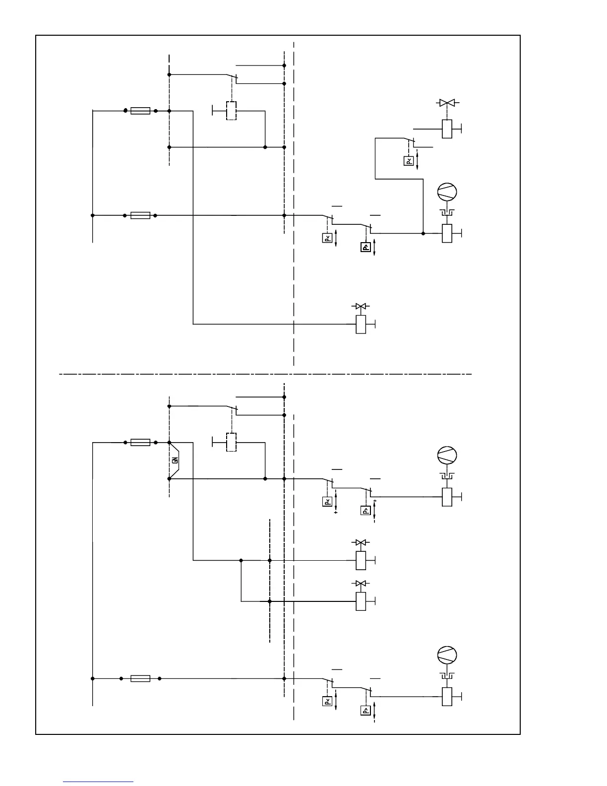
UNIT WITH 2 COMPRESSORS
U3
3/B15
10A
F2A
X20
X5
11
1
2
GN
X3.5
10A
F3A
21
3
10 7 5
3086
85
87a
87
K7A
Option
Y6A
Y7A
B2F
B21F
Liquid Line Valves
LP--Switch
HP--Switch
4
2
1
1
4
2
UNIT WITH 1 COMPRESSOR
U3
3/B15
F2A
10A
X3.5
F3A
31
GN
10A
2
K7A
Option
86
30
87
87a
85
10 7 511
X5
Liquid Line Valve
Y7A
B1F
B11F
B11N
1
2
2
4
1
4
LP Switch
+
+
--
--
HP Switch
Y8A
+
Y7N
Compressor Clutch
Unloader Valve
OPTION
1
2
4
Compressor Unloader
Compressor Clutch
Y8M
Compressor Clutch
B1F
B11F
LP Switch
HP Switch
1
2
4
4
2
1
+
+
Y7M
Figure 6--17 Thermostat (One/Two Compressors)

Table of Contents

Related product manuals