EasyManua.ls Logo

Carrier NP034-074 - Page 58

Carrier NP034-074
72 pages
To Next Page IconTo Next Page
To Next Page IconTo Next Page
To Previous Page IconTo Previous Page
To Previous Page IconTo Previous Page
Loading...
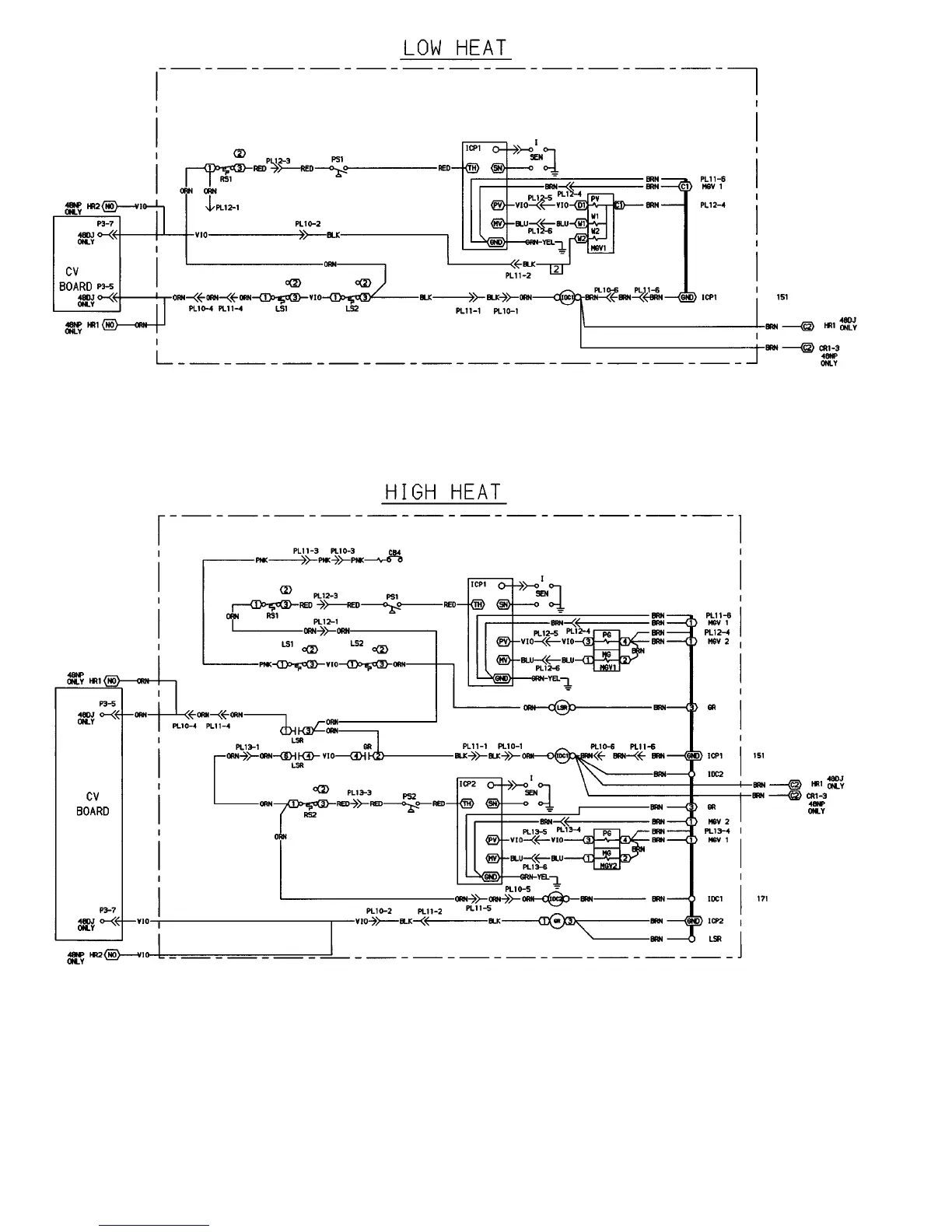
Fig. 66 Gas Heat Sections; 48DJ,NP034,044 Units
58

Table of Contents

Related product manuals