EasyManua.ls Logo

Carrier NP034-074 - Page 59

Carrier NP034-074
72 pages
To Next Page IconTo Next Page
To Next Page IconTo Next Page
To Previous Page IconTo Previous Page
To Previous Page IconTo Previous Page
Loading...
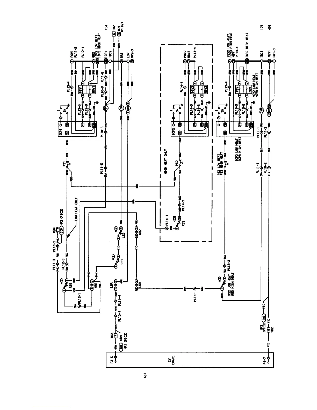
Fig. 67 Gas Heat Sections; 48DJ,NP054-074 Units
59

Table of Contents

Related product manuals