EasyManua.ls Logo

Carrier Weathermaster 48HJD Series - APOLLO THERMOSTAT WIRING 48 HJ008-014

Carrier Weathermaster 48HJD Series
76 pages
To Next Page IconTo Next Page
To Next Page IconTo Next Page
To Previous Page IconTo Previous Page
To Previous Page IconTo Previous Page
Loading...
64
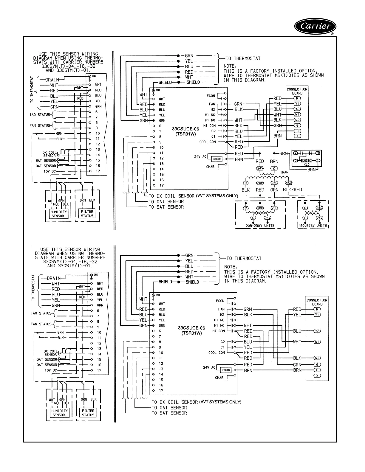
Controls (cont)
APOLLO THERMOSTAT WIRING — 48HJ004-007
APOLLO THERMOSTAT WIRING — 48HJ008-014
LEGEND
C
Contactor
CHAS
Ground
CLO
Compressor Lockout
COM
Common
DX
Direct Expansion
ECON
Economizer
GND
Ground
HT
Heat
IAQ
Indoor-Air Quality
NC
Normally Closed
NO
Normally Open
OAT
Outdoor-Air Thermostat
SAT
Saturated-Air Temperature
VVT
®
Variable Volume/Variable Temperature

Related product manuals