EasyManua.ls Logo

Carson Reflex Wheel Pro2 - Connections to Receiver

Carson Reflex Wheel Pro2
Print Icon
To Next Page IconTo Next Page
To Next Page IconTo Next Page
To Previous Page IconTo Previous Page
To Previous Page IconTo Previous Page
Loading...
31
GB
CARSON Reflex Wheel Pro 50 050 0034 + 35 + 36 + 37
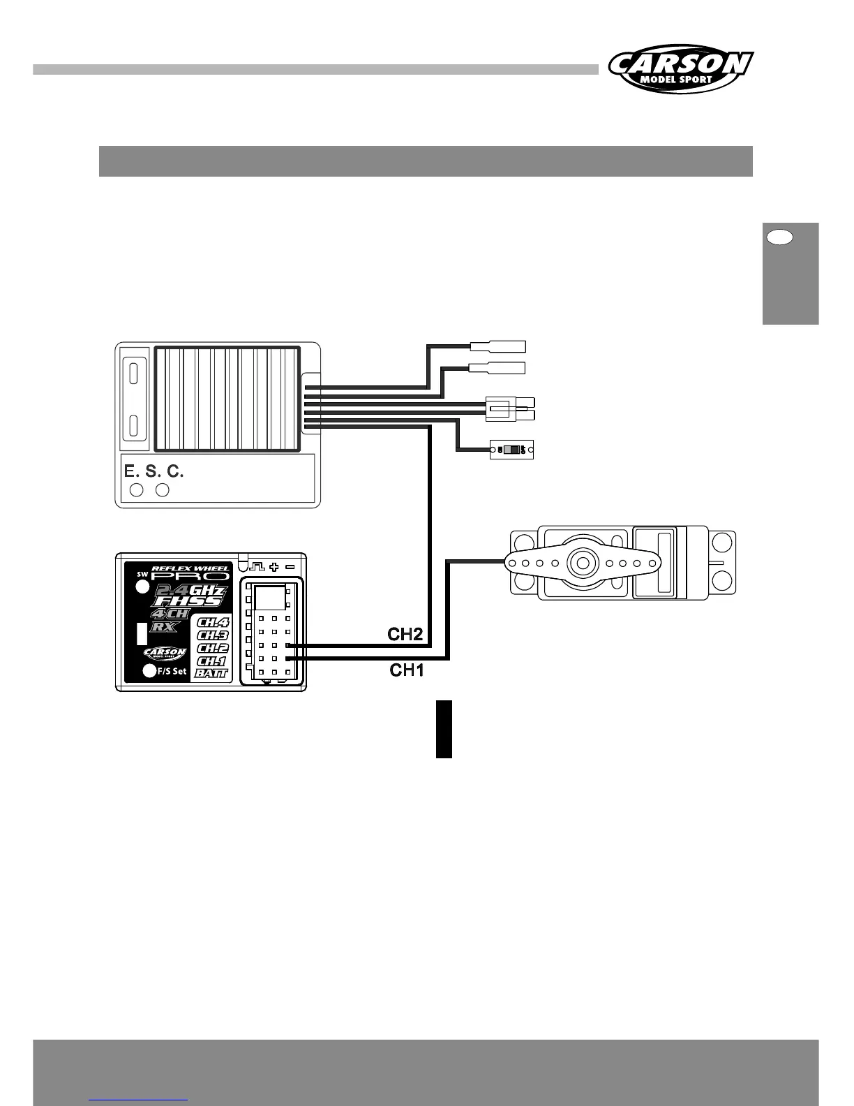
The receiver has no separate current supply, it
gets supplied with current through the driving
battery that runs the engine. The electronic speed
controller‘s BEC system reduces the voltage of the
receiver to an acceptable threshold.
NiMH battery packs from 6 V to 8.4 V can be used.
Batteries of higher voltage may damage the
receiver and servos.
Attention!
Appropriate high current servos must be used for
an input voltage of 6 V or over!
Connector motor
Connector battery
Power switch On-/Off
Steering servo
channel 1
(not included)
Receiver
Do not connect a separate power
supply to the receiver!
Electronic speed controller
(not included)
ATTENTION
Make sure that male and female connectors
have the correct polarity!
Connections to Receiver
Version Reflex Wheel Pro + Reflex Wheel Pro LCD

Table of Contents

Related product manuals