EasyManua.ls Logo

Case IH Magnum 310 - Page 69

Case IH Magnum 310
81 pages
Print Icon
To Next Page IconTo Next Page
To Next Page IconTo Next Page
To Previous Page IconTo Previous Page
To Previous Page IconTo Previous Page
Loading...
Engine-Engineandcrankcase
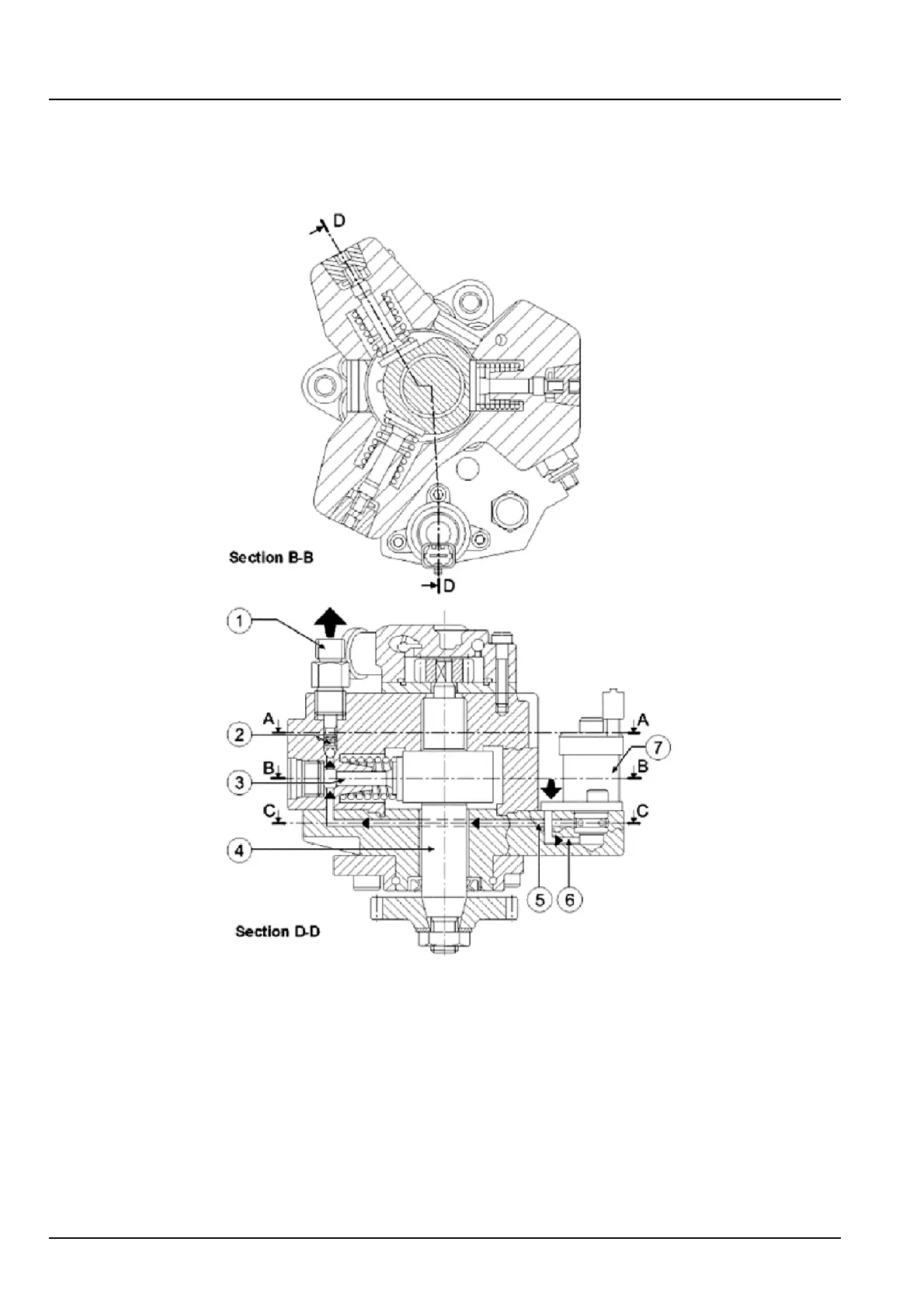
Duringtheinletphase,thequantityoffuelowtothepumpingelementisdeterminedbytheregulatingvalve.The
regulatingvalve,dependentonthePWMcommandsentfromtheECU,metersthefueltothepumpingelements.
Whenthepumpingelementstartsdecreasingthevolumetheinletvalvewillclose.Thefuelisnowtrappedinthe
pumpingchamberandthepressurewillstarttobuild.Whenthepressureinthepumpingchamberbecomeshigher
thanthepressureinthecommonrailtheoutletvalvewillopenthefuelwillowtothecommonrail.
RAIL15TR01379GA38
(1)Fueltocommonrail(5)PWMmeteredfuel
(2)Outletvalve(6)Lowpressuresupplyfuel
(3)Pumpingelement(7)Regulatorvalve(PWM)
(4)Eccentricpumpshaft
5143149922/02/2018
10.1[10.001]/28

Related product manuals