EasyManua.ls Logo

Case IH PUMA 160 - Hydraulic System Schematic Diagram

Case IH PUMA 160
61 pages
Print Icon
To Next Page IconTo Next Page
To Next Page IconTo Next Page
To Previous Page IconTo Previous Page
To Previous Page IconTo Previous Page
Loading...
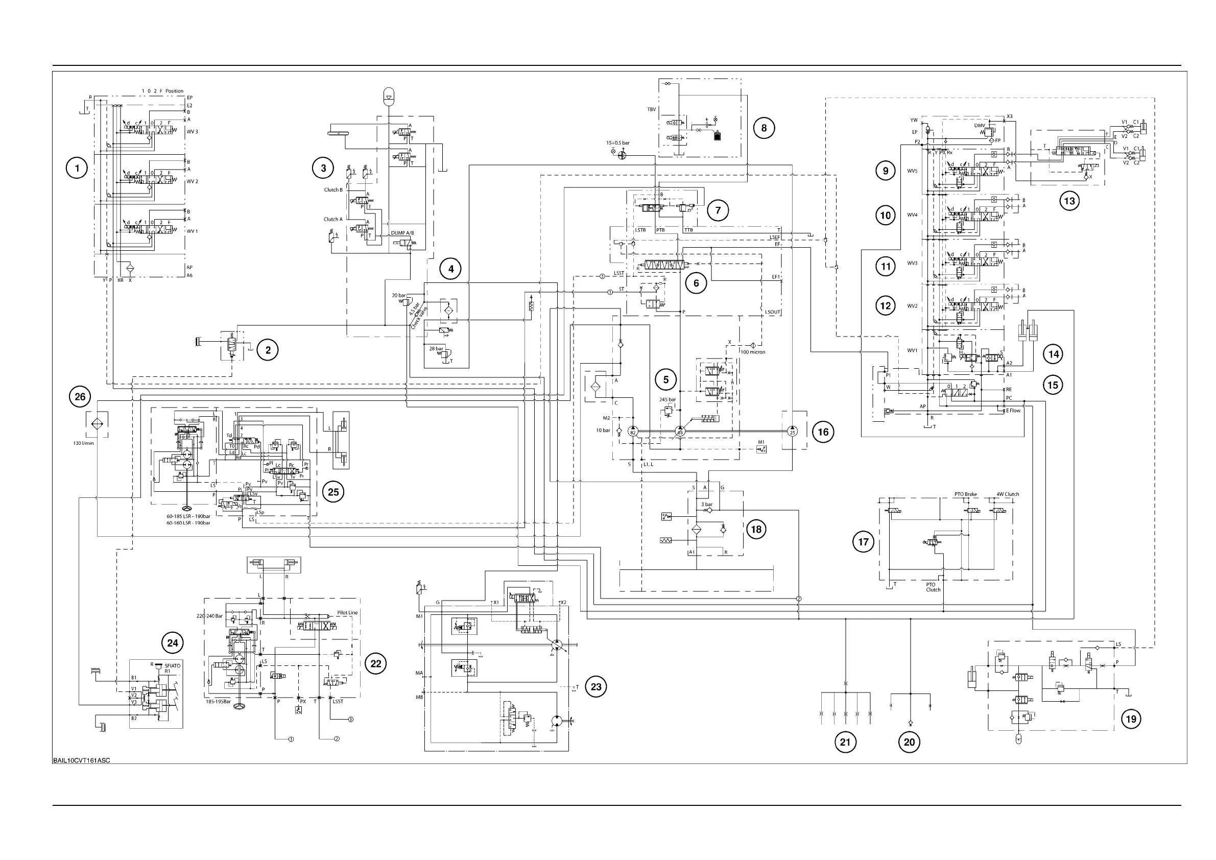
HYDRAULIC,PNEUMATIC,ELECTRICAL,ELECTRONICSYSTEMS-PRIMARYHYDRAULICPOWERSYSTEM
BAIL10CVT161ASC1
84479138A06/06/2011
A.10.A/31