EasyManua.ls Logo

Casio PCR-T290L - PARTS LIST

Casio PCR-T290L
51 pages
Print Icon
To Next Page IconTo Next Page
To Next Page IconTo Next Page
To Previous Page IconTo Previous Page
To Previous Page IconTo Previous Page
Loading...
— 39 —
Model
NameBoard No. Drawing No.
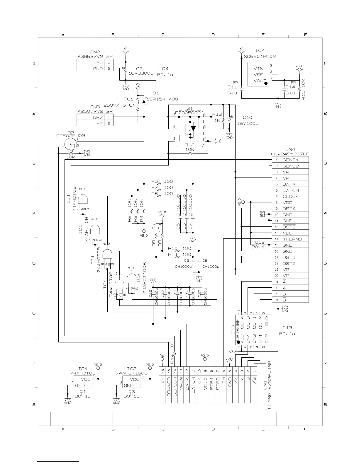
CASIO COMPUTER CO.,LTD. RJE503230D404PRINTER I/F BOARDEX-276 E276-PR

Related product manuals