EasyManua.ls Logo

Casio TV-600D - Schematic Diagrams and Waveforms

Casio TV-600D
32 pages
Print Icon
To Next Page IconTo Next Page
To Next Page IconTo Next Page
To Previous Page IconTo Previous Page
To Previous Page IconTo Previous Page
Loading...
— 26 —
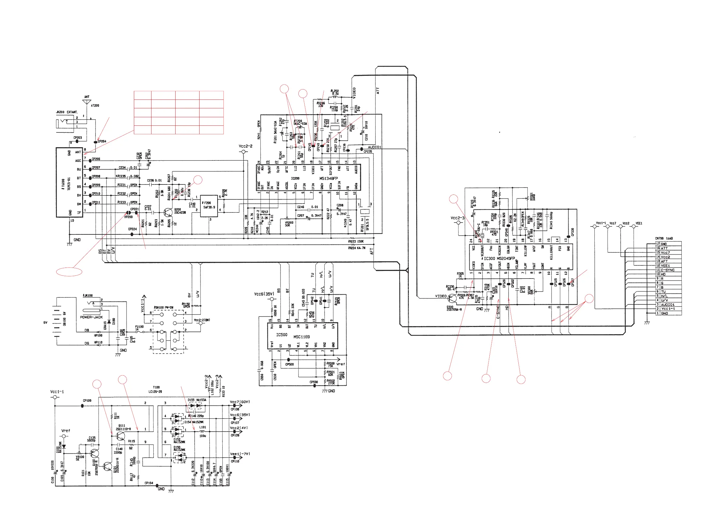
SCHEMATIC DIAGRAMS AND WAVEFORMS
Linear PCB (TV-600C, I, N)
1
7
6
5
2
3
8
9
10
TP4
TP3
TP1
TP2
Pad IF
TP5
TP7
BU
BS
BV
BM
VHF(L) VHF(H) UHF
4
0
21
3.8
3.8
0
0
3.8
3.8
3.8
0
0
3.8
3.1
1.9
1.9
1.9
3.6
0.9
1.7
0.8
1.1
2.9
2.9
1.8
2.9
3.8
3.1
3.1
3.7
1.4
1.4
33.7
21/0
0~22.8
1.6
1.7
2.1
2.8/0
0/3.8
3.5
2.9
4.7
2.9
3.8
1.7
2.9
3.3
1.4
3.5
1.9
0.4
2.5
2.5
0.7
0.4
2.9
2.6
1.4
1.4
1.4
1.4

Related product manuals