EasyManua.ls Logo

Casio TV-600D - Page 30

Casio TV-600D
32 pages
Print Icon
To Next Page IconTo Next Page
To Next Page IconTo Next Page
To Previous Page IconTo Previous Page
To Previous Page IconTo Previous Page
Loading...
— 29 —
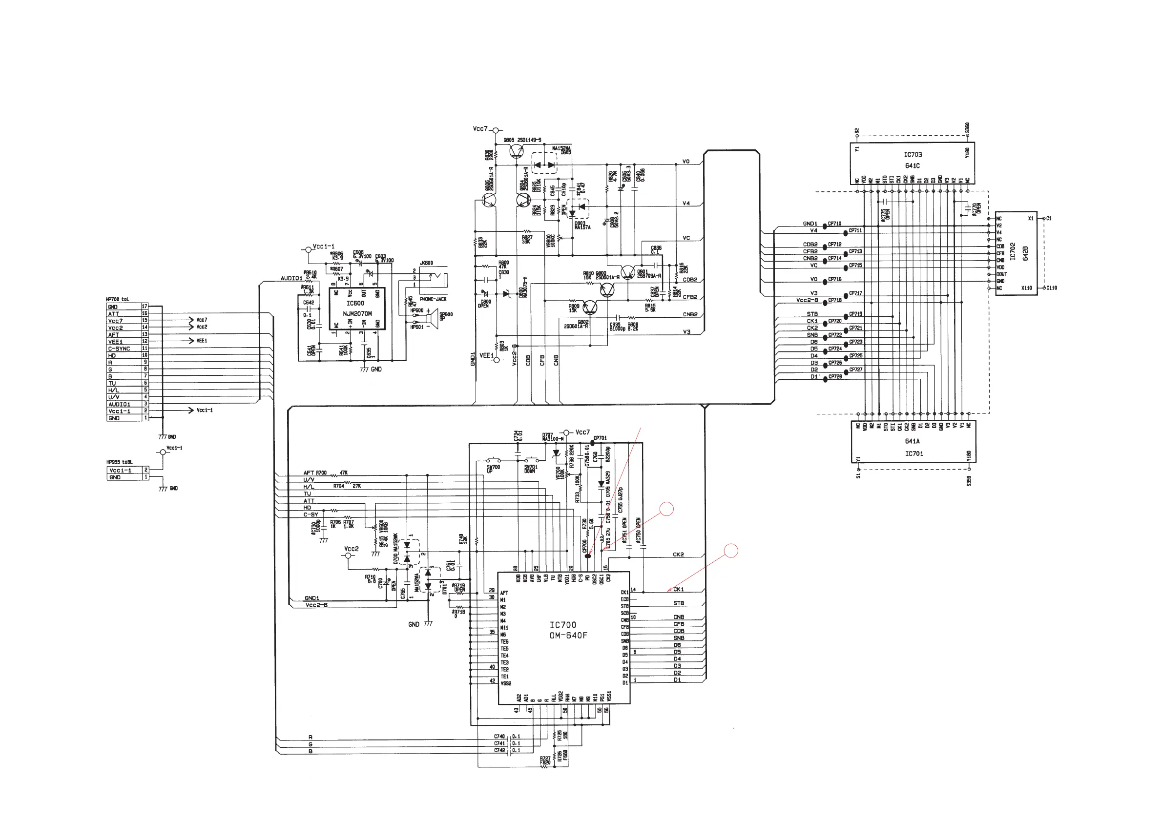
A/D PCB (TV-600D)
11
TP6
12

Related product manuals