EasyManua.ls Logo

Casio ZD-1 - Page 41

Casio ZD-1
60 pages
Print Icon
To Next Page IconTo Next Page
To Next Page IconTo Next Page
To Previous Page IconTo Previous Page
To Previous Page IconTo Previous Page
Loading...
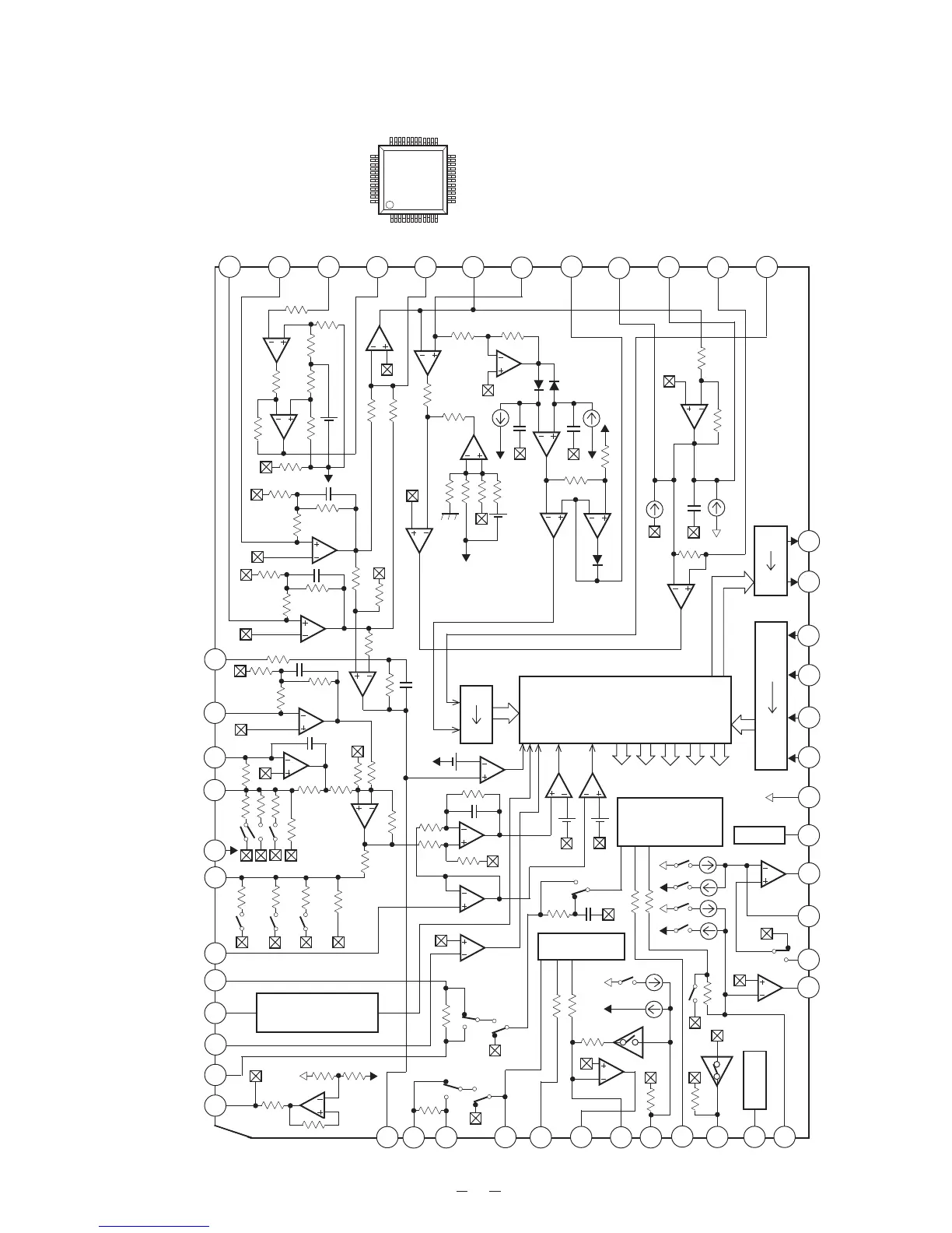
IC701: CXA1782BR
39
36
25
37
48
1
13
24
12
PHD2 PHD1 PHD LD RF M RF O RF I CP CB CC1 CC12
FOK
24
19
20
21
22
23
16
17
18
14
15
13
25
26
27
28
29
30
3132333435
36
37
38
39
40
41
42
43
44
45
46
47
48
1 2 3 4
6
5 7 8
9
10 11 12
APC
RF
Amp.1
RF
Amp.2
FIV Amp.
EIV Amp.
EF Amp.
BAL1 BAL2 BAL3
TOG1
TOG2
TOG3
Window Comparator
ATSC
FS4
Defect
TM1
DFCT
FS2
FS1
Comparator
TZC
FCS Phase
Compensation
TG1
LPF
Comparator
HPF
Comparator
FZC
Comparator
TM7
TG2
F Set
TA O
TM 2
SL P
SL M
TM3
TM4
TM6
TM5
SL O
I SET
Tracking
Phase
Compensation
ISET
VCC
TOG1~3
BAL1~3
FS1~4
TG1~2
TM1~7
PS1~4
EF Amp.
TTL
IIL
IIL Date Register
Input Shift Register
Adress Decoder
Output Decoder
IIL
TTL
CLK
XLT
DFC1
IIL
TTL
LEVEL
MIRR
FOK
F
FE
BIAS
E
E
VEE
TEO
LPFI
TEI
ATSC
TZC
TDFCT
VC
FEO FEI FDFCT FGD FLB FEO FEM SRCH TGU TG2 FSET TAM
SENS
C
OUT
XRST
DATA