EasyManua.ls Logo

Casio ZD-1 - Schematic Diagrams; Tuner

Casio ZD-1
60 pages
Print Icon
To Next Page IconTo Next Page
To Next Page IconTo Next Page
To Previous Page IconTo Previous Page
To Previous Page IconTo Previous Page
Loading...
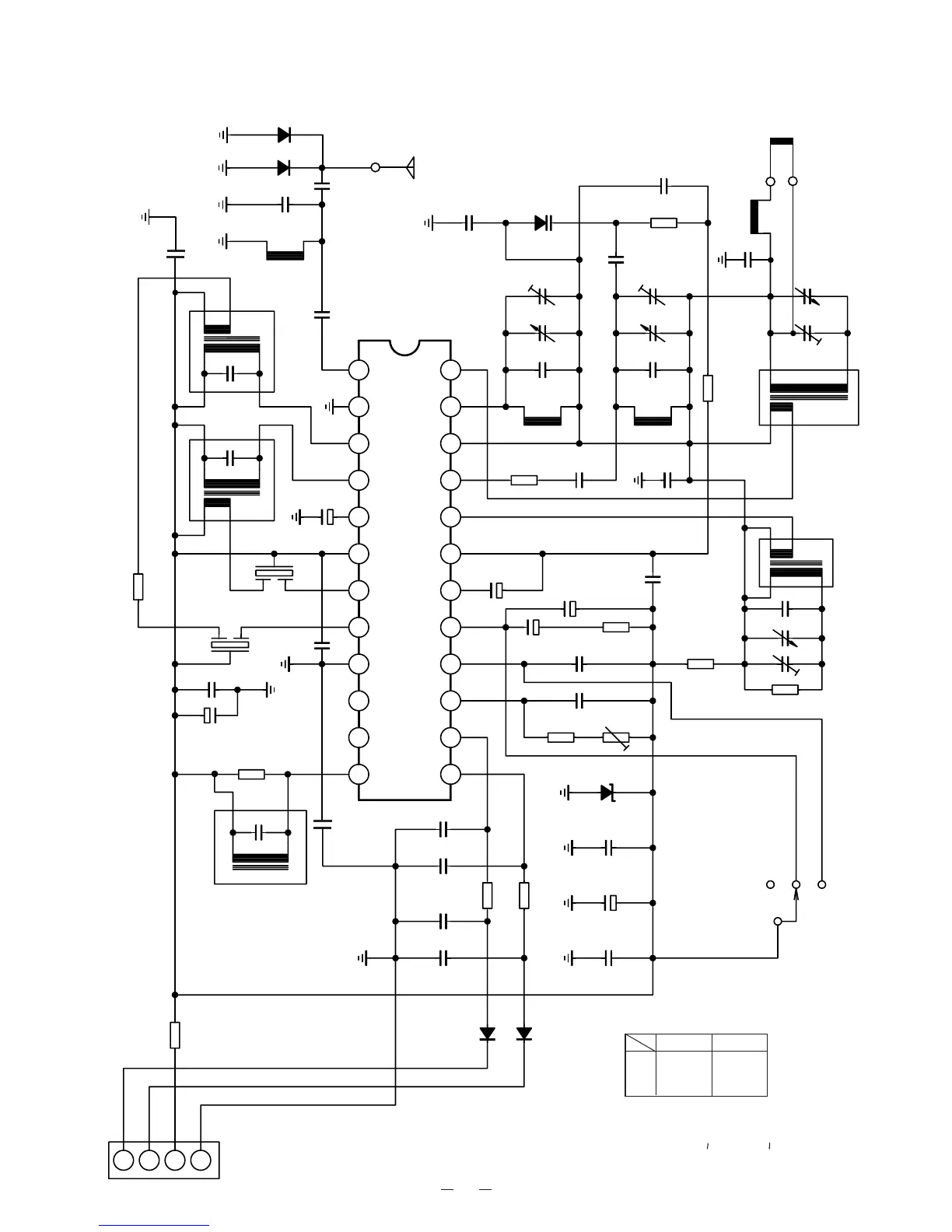
Tuner
Notes:
1. All resistance values are in ohms (k=1000 ohms, M=1000 kohms).
2. All capacitonce values are in uF (P=10 uF).
3. All resistors are 1/4 watt, unless otherwise specified.
-6
46
SCHEMATIC DIAGRAMS
4
3
2
1
CN3
100/16V
IC3
C8
C1 22PF
L5
FM-RF
R1 27
L4
FM-OSC
C3
100K
R2
C6
C7
D6
0.022(X)
C26
ANT1
ROD ANT
C10 33PF(SL)
C11
FM-IFT
L7
AM-IFT
33/10V
C12
CF1
FFD455MB
FFE1070MA
CF2
0.022
C28
C30
0.047(X)
C32
4.7K
R5
FM-QUAD DET
L9
R11
220
1/2W
C25 3300PF(X)
C22*
C23*
R13 56K
1000PF(B)
C13
C15
0.33/50V
C14 10/10V
C16 3.3/25V
R7 1K
C17*
C21 1000PF(P.S)
R8 12K
SVR1
10K (B)
R10 15K
R9 15K
C19
100/16V
C20
0.022(X)
MTZJ5.1B
D3
SW1
BAND SW
TA8167N
AIN
FOT
VC1
FOS
AOS
DET
MPX
LP1
LP2
VCO
L CH
R CH
QUD
SL
TL
GD2
FIF
AIF
VC2
AGC
AMX
FMX
GD1
FMI
24
23
22
21
20
19
18
17
16
15
14
13
12
11
10
9
8
7
6
5
4
3
2
1
R
4
10
0
1SS133
D2
AM
FM-M
FM-S
R3 10
(CH)
(8PF)
C5
3-12PF
0.022(X)
SD115
CH
C4 18-27PF
SL(22PF)
C24 3300PF(X)
D5
1SS133
L8
CH
C18 1000PF(B)
22PF(SL)
L6
FM-ANT
D4
1SS133
0.022(X)
C2 18-27PF
5PF(CH)
PVC AM-ANT
PVC FM-RF
PVC FM-OSC
PVC AM-OSC
L2
AM ANT
R6 1M
0.022(X)
L3
AM OSC
CN2
1SS133
D1
C29
100PF(B)
C27
100PF(B)
15PF(SL)
C9
FB1
FBA04VA600
CN1
L1
AM LOOP ANT.
*
Model-B Model-C
C17 0.082 0.01
C22 0.018 0.012
C23 0.018 0.012