EasyManua.ls Logo

Castex 609541 - Conjunto para Levantar Cepillo; Non-Drive Model Wheel Group

Castex 609541
59 pages
Print Icon
To Next Page IconTo Next Page
To Next Page IconTo Next Page
To Previous Page IconTo Previous Page
To Previous Page IconTo Previous Page
Loading...
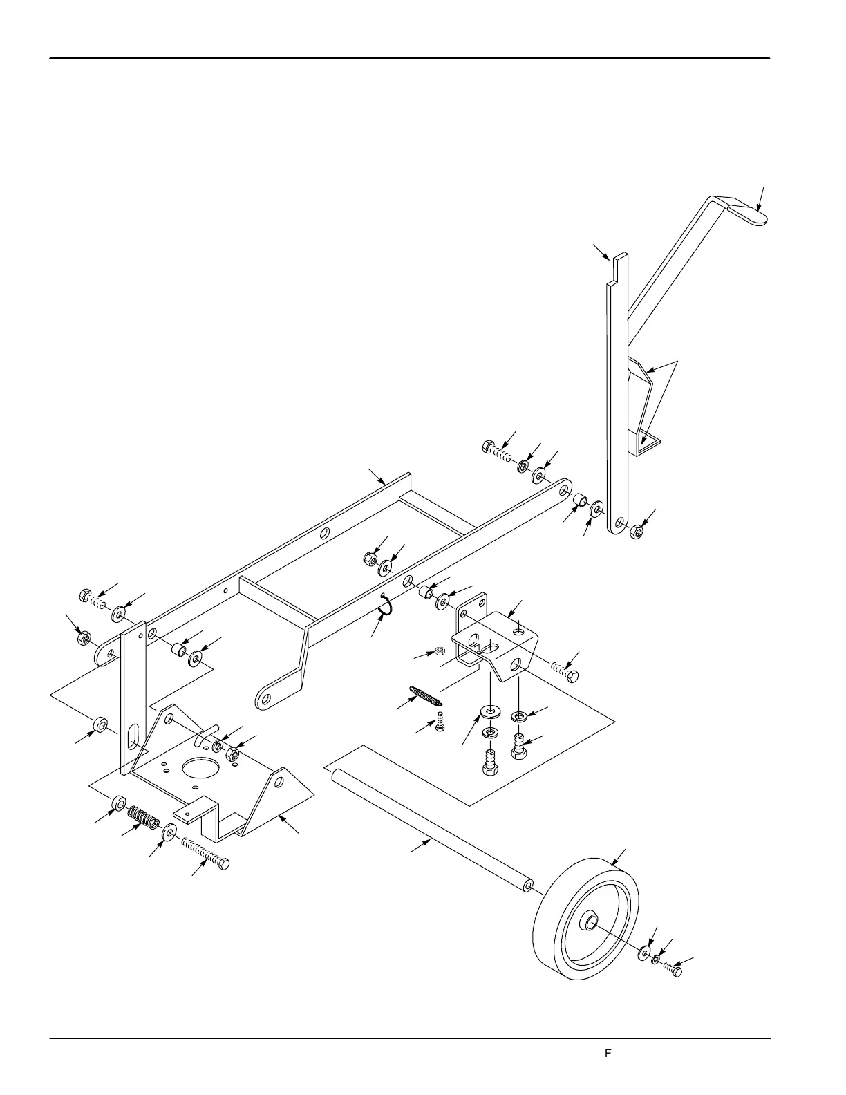
PARTS LIST
LISTA DE PIEZAS
FS-2000 Battery Scrubber (1 1--01)
48
NON-DRIVE MODEL WHEEL GROUP
CONJUNTO PARA LEVANTAR CEPILLO
9
1
2
3
4
5
6
5
7
8
5
10
5
6
11
8
13
12
14
15
16
17
18
19
20
21
22
25
24
4
7
5
6
23
4
5
8
26
27
28
26
Home
Find...
Go To..

Table of Contents

Related product manuals