EasyManua.ls Logo

CDVI CDV-DDP - Page 7

CDVI CDV-DDP
24 pages
Print Icon
To Next Page IconTo Next Page
To Next Page IconTo Next Page
To Previous Page IconTo Previous Page
To Previous Page IconTo Previous Page
Loading...
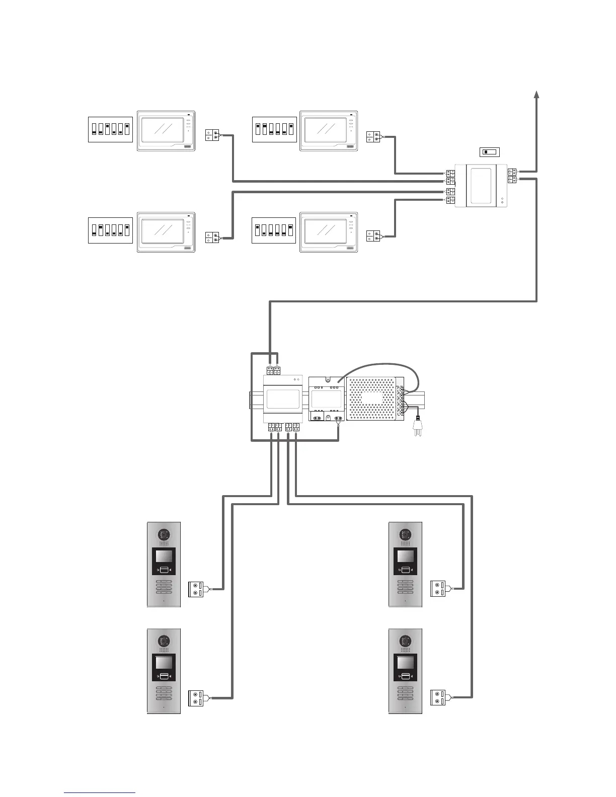
Multi Door Stations Wiring:
1 2 3 4 5 6
ON
1 2 3 4 5 6
ON
1 2 3 4 5 6
ON
1 2 3 4 5 6
ON
ID Code=1
1 2 3
654
7 8 9
#0
*
RF CARD
ID Code=0
1 2 3
654
7 8 9
#0
*
RF CARD
ID Code=3
1 2 3
654
7 8 9
#0
*
RF CARD
ID Code=2
1 2 3
654
7 8 9
#0
*
RF CARD
85~260VAC
DPS
PS5
Code=4, DIP-6=on
CALL
UNLOCK
TALK/MON
IN-USE
Code=3, DIP-6=on
Code=2, DIP-6=on Code=1, DIP-6=on
CALL
UNLOCK
TALK/MON
IN-USE
CALL
UNLOCK
TALK/MON
IN-USE
CALL
UNLOCK
TALK/MON
IN-USE
DBC4
A B C D
OFF ON
Impedance
switch
DIP=on,off,off
DBC4
A B C D
-5-

Related product manuals